Качественные детали и логистика
Оригинальные и аналоговые запчасти с доставкой по России, Казахстану и Беларуси
©2022 PartSell ООО "Система" ИНН 2463123282 ОГРН 1212400004838
Центральный офис: г. Красноярск, Академика Киренского, д.87, пом.4
Телефон: 8 (800) 777-65-74 Email: zakaz@partsell.ru
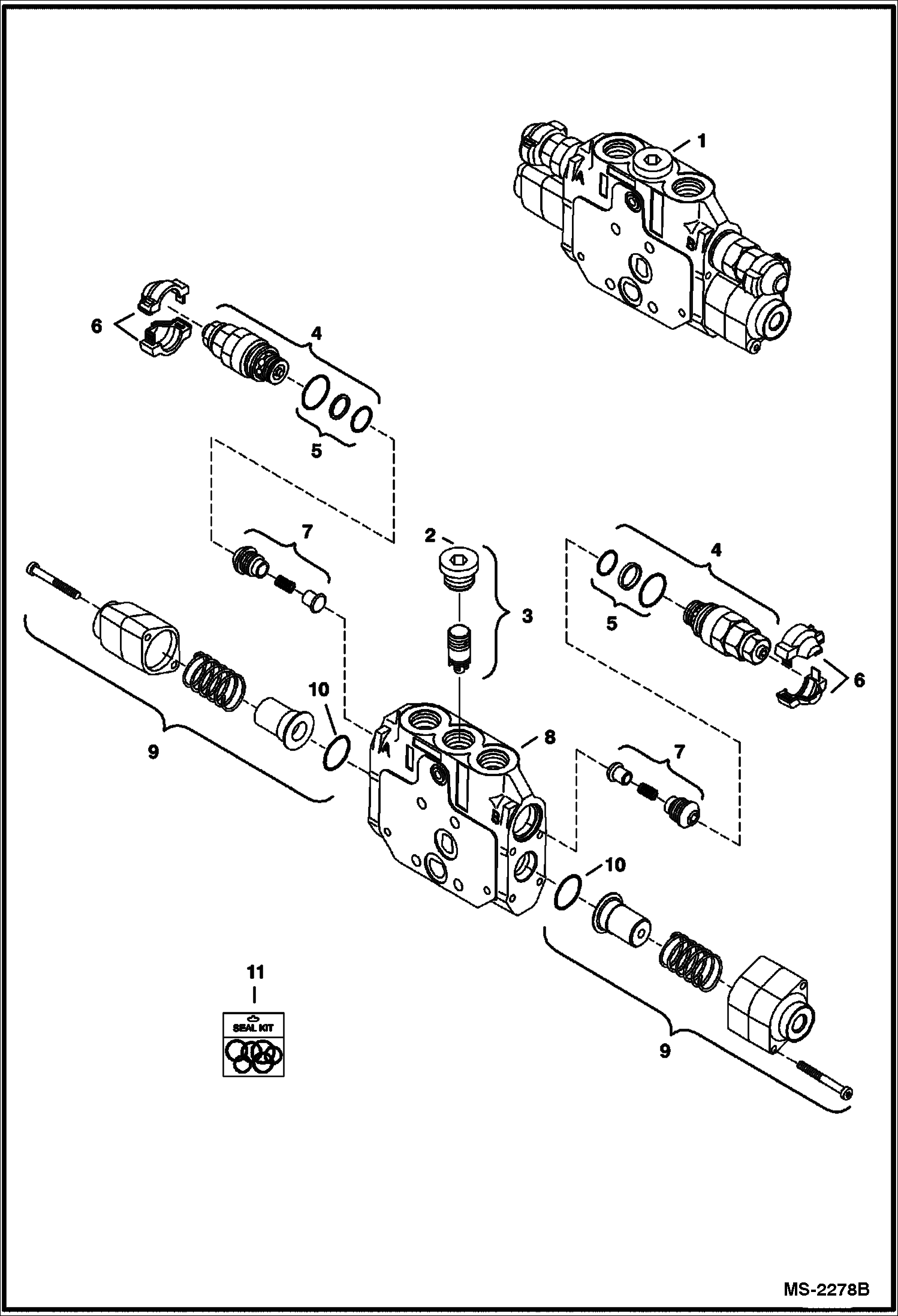
CONTROL VALVE (Boom Section)
№
Артикул
Название
Примечание
Количество
1
6686634
VALVE boom
2
6685248
PLUG
3
6677690
KIT, COMPENSATOR
4
6685249
VALVE,RELIEF
5
6677468
SEAL KIT
6
6687072
KIT
7
6677689
CHECK VALVE check valve - Was 6686595 - A
8
BLOCK NSS - Order Ref. 1
9
6677699
ACTUATOR
10
O-RING NSS - Order Ref. 11
11
6677470
Выбрано товаров: 0