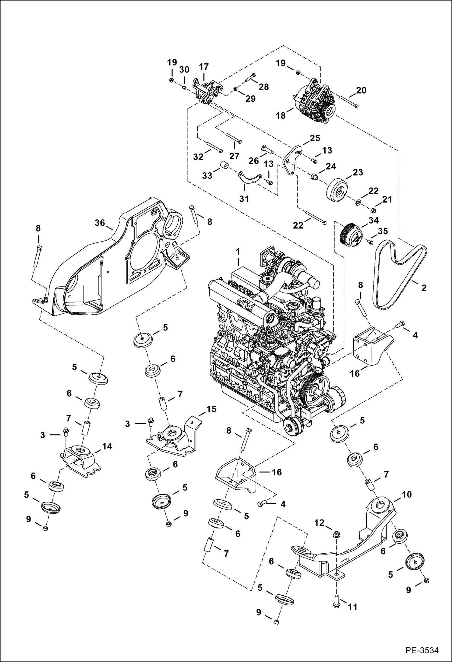
Запчасти Bobcat 435 ENGINE & ATTACHING PARTS (Engine Mounts) POWER UNIT

Схема запчастей Bobcat 435 - ENGINE & ATTACHING PARTS (Engine Mounts) POWER UNIT
FIT
1:1
100%

Артикул

Название

Примечание

Количество

1

ENGINE, V2403-M-DI-TE3B-BC-3 See Illustration ENGINE & GASKET KITS/ NA1526

2

6697872

BELT

3

59CM1225

SCREW

4

6719828

BOLT

5

7116851

CUP

6

6688993

MOUNT

7

7116850

SPACER

8

7CM1290

SCREW

9

53DM12

NUT

10

7116839

MOUNT

11

29CM1650

BOLT

12

51DM16

NUT

13

29CM820

SCREW

14

7116848

MOUNT

15

7116846

MOUNT

16

6814278

MOUNT

17

7103231

BRACKET

18

6681857

ALTERNATOR See Illustration ALTERNATOR/ B22386

19

51DM8

NUT

20

1CM8110

HEX CAP S

21

95D8

NUT

22

25E21

WASHER 5

23

6681942

IDLER

24

6814860

SPACER

25

6814848

PLATE

26

37C832

BOLT Was 37C832 - D

27

1CM880

BOLT

28

4CM845

BOLT

29

4DM8

NUT

30

6675838

BUSHING

31

6814859

TENSIONER

32

1CM885

BOLT

33

6814861

SPACER

34

7101041

PULLEY

35

29CM612

BOLT, FLANGED

36

7127604

MOUNT, ENGINE

Выбрано товаров: 36