Запчасти Bobcat 435 ENGINE STOP LEVER POWER UNIT

Схема запчастей Bobcat 435 - ENGINE STOP LEVER POWER UNIT
FIT
1:1
100%

Артикул

Название

Примечание

Количество

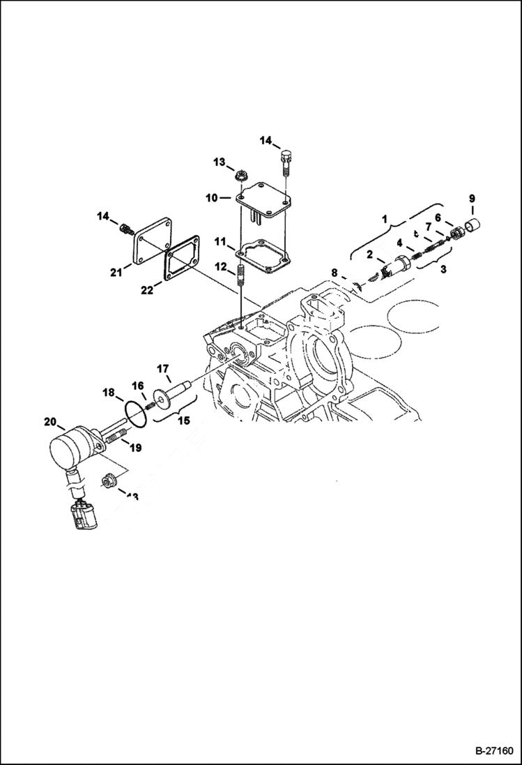
1

6684815

IDLING ASSY Ref. 2-6

2

APPARATUS, IDLE NSS - Order Ref. 1

3

6684816

BOLT, ADJUSTING assy - Ref. 4 & 5

4

SPRING NSS - Order Ref. 3

5

BOLT, ADJUSTING NSS - Order Ref. 3

6

6684817

NUT spring

7

6684891

SEAL

8

6684818

SEAL

9

6684819

CAP

10

6698116

COVER boost housing

11

6684841

GASKET boost housing

12

6683087

STUD

13

6670533

NUT

14

1CM616

SCREW Was 4CM616 - A

15

6684825

GUIDE, SOLENOID

16

SPRING NSS - Order Ref. 15

17

PLUNGER NSS - Order Ref. 15

18

6685465

O-RING

19

6652764

STUD

20

6691498

SOLENOID, SHUTOFF FUEL 240 mm (9.45'') lead

21

6684751

COVER pump

22

6666783

GASKET pump cover

Выбрано товаров: 22