Запчасти Bobcat 442 FUEL SUPPLY POWER UNIT

Схема запчастей Bobcat 442 - FUEL SUPPLY POWER UNIT
FIT
1:1
100%

Артикул

Название

Примечание

Количество

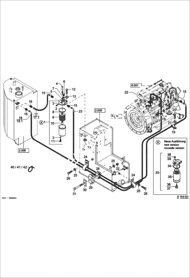
1

5411661832

FUEL FILTER W/Refs. 2-11

2

5445100001

BLEEDING VALVE

3

1636815126

SEAL RING

4

1007707120

BOLT

5

5411656913

SEAL RING

6

PLUG DIN 7604

7

1636815155

SEAL RING

8

5445100003

SEAL RING

9

5445100004

FILTER, FUEL

10

BUSH 0131 9821

11

5445100002

HANDLE

12

1007707424

BOLT

13

1343707059

WASHER

14

1212251013

NUT

15

1915060560

FITTING

16

1915060856

FITTING

17

0190015038

FUEL HOSE

17

0190015238

HOSE

18

0190015039

FUEL HOSE

18

0190015239

HOSE

20

1008707018

BOLT

21

1343707057

WASHER

22

5603320320

HOSE CLIP

23

0190015040

HOSE

24

5000210410

HOSE CLIP

25

1290707018

WASHER

26

1008707817

BOLT

27

5000136710

HOSE CLIP

28

5660199766

HOSE CLIP

29

5660199783

CLIP

30

5660200230

COVER PLATE

31

1007707220

BOLT

32

1212251011

NUT

33

5411663853

FILTER, FUEL ASSY W/Refs. 33-38 - Was 5411656955 - A

34

5411656956

SEAL RING

35

5445100004

FILTER, FUEL

36

5411656959

SEAL RING

37

5411656958

PLUG

38

5411656867

SEAL

39

6681098

PLUG Was 5411656957 - A

40

5350650280

BINDER

41

5653093560

BINDER

42

5350650294

BINDER

Выбрано товаров: 43