Запчасти Bobcat 442 BREAKER B1400 ACCESSORIES & OPTIONS

Схема запчастей Bobcat 442 - BREAKER B1400 ACCESSORIES & OPTIONS
FIT
1:1
100%

Артикул

Название

Примечание

Количество

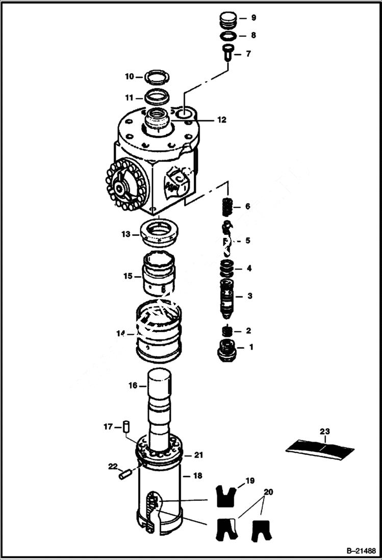
1

6680204

PLUG

2

6680205

SHIM

3

6680206

LINING

4

O-RING NSS

5

6680207

SLIDE

6

6680208

SPRING

7

6680209

INSERT

8

O-RING NSS

9

PLUG NLA - Was 6680210 - A

10

6680211

WASHER

11

6680212

BUSHING RUBBER

12

6680213

PISTON STOP

13

6680214

DISTRIBUTOR COVER

14

6680215

DISTRIBUTOR BOX

15

6680216

DISTRIBUTOR

16

6682449

PISTON

17

6680218

PIN

18

6680219

CYLINDER

19

SEAL NSS

20

SEAL

21

O-RING

22

6680220

PIN

23

6682450

SEAL KIT See Illustration BREAKER/ B21488 - Ref. 9 & 17 and Ref. 4, 8, 19, 20 & 21 - Was 6680234 - A

Выбрано товаров: 23