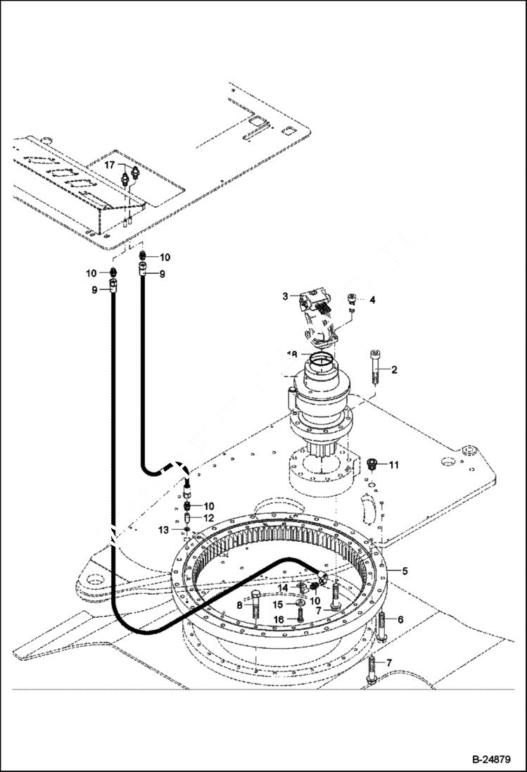
Запчасти Bobcat 442 SLEW EQUIPMENT MAIN FRAME

Схема запчастей Bobcat 442 - SLEW EQUIPMENT MAIN FRAME
FIT
1:1
100%

Артикул

Название

Примечание

Количество

1

5904670005

SLEW GEAR

2

1045707642

BOLT

3

5364664075

TRAVEL MOTOR

4

1047341124

BOLT Was 1047907124 - A

5

5609661455

SLEW RING

6

1017341841

BOLT

7

1017341641

BOLT

8

1007341242

BOLT

9

0190006008

HOSE ASSEMBLY CPL.

10

1915060553

FITTING

11

1912060451

PLUG

12

0209006040

ADAPTER

13

1636815272

SEAL RING

14

0176006010

NOZZLE

15

1343707057

WASHER

16

1008707018

BOLT

17

1607003010

GREASE NIPPLE

18

1970956336

O-RING

Выбрано товаров: 18