Запчасти Bobcat 442 BOOM Mono WORK EQUIPMENT

Схема запчастей Bobcat 442 - BOOM Mono WORK EQUIPMENT
FIT
1:1
100%

Артикул

Название

Примечание

Количество

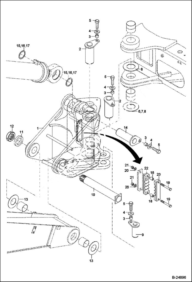
1

0190024002

PIVOT POST

2

0190024050

PIN Was 6190024050 - A

3

0156029033

SPACER

4

1343707061

WASHER

5

1008707829

BOLT

6

0202524052

WASHER

7

0202524057

WASHER

8

0202524053

WASHER

9

0203024024

PIN Was 6203024024 - A

10

0209127041

PIN

11

0209127045

ZINC COATED RING

12

1212707446

SLOTTED NUT

13

0202524050

WASHER

14

0190024020

PIN Was 6190024020 - A

15

1309412013

SHIM

16

1309412825

SHIM

17

1309412834

SHIM

18

0209124023

DISTANCE SLEEVE

19

1007707725

BOLT

20

1290707020

WASHER

21

1212251013

NUT

22

0190024041

CLIP

23

0190024042

CLIP

Выбрано товаров: 23