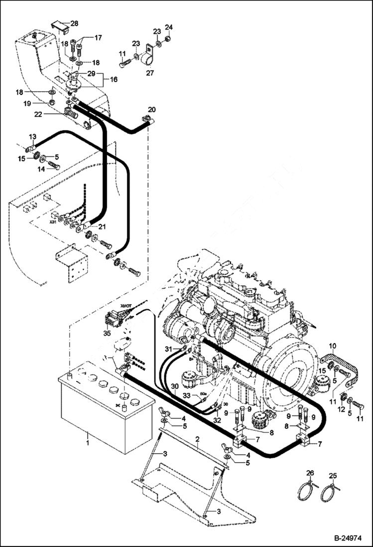
Запчасти Bobcat 442 ELECTRIC INSTALLATION Uppercarriage 5289 11343 & Below ELECTRICAL SYSTEM

Схема запчастей Bobcat 442 - ELECTRIC INSTALLATION Uppercarriage 5289 11343 & Below ELECTRICAL SYSTEM
FIT
1:1
100%

Артикул

Название

Примечание

Количество

1

5159650932

BATTERY

2

0331411006

ANGLE Was 6331411006 - A

3

0331411005

STUD

4

1245707011

WING NUT

5

1343707057

WASHER

6

0234007034

BATTERY CABLE

7

5660199615

HOSE CLIP

8

5660200122

COVER PLATE

9

1007707813

BOLT

10

5653246930

EARTH CABLE

11

1008707018

BOLT

12

1327707022

TOOTHED LOCK WASHER

13

0073657067

CABLE, GROUND

14

1008707817

BOLT

15

1327707018

TOOTHED LOCK WASHER

16

5522655660

SWITCH INTERRUPTER W/Ref. 29

17

1045707213

BOLT

18

1290707014

WASHER

19

1212251009

NUT

20

0190007135

BATTERY CABLE

21

0190007136

CABLE, GROUND

22

5050580450

RUBBER

23

1290707018

WASHER

24

1212251011

NUT

25

5653093560

BINDER

26

5350650280

BINDER

27

5000210410

HOSE CLIP

28

5050650230

COVER

29

5522655651

KEY INTERRUPTER

30

0234007080

WIRE HARNESS W/Ref. 31-34

31

5350249600

CABLE CONNECTOR

32

5350249597

CABLE CONNECTOR

33

5350246820

CABLE CONNECTOR

34

5350249695

MAL TERMINAL

35

5350249691

CONNECTOR MALE

Выбрано товаров: 35