Запчасти Bobcat 442 ENGINE ASSEMBLY 5289 11313 & Below POWER UNIT

Схема запчастей Bobcat 442 - ENGINE ASSEMBLY 5289 11313 & Below POWER UNIT
FIT
1:1
100%

Артикул

Название

Примечание

Количество

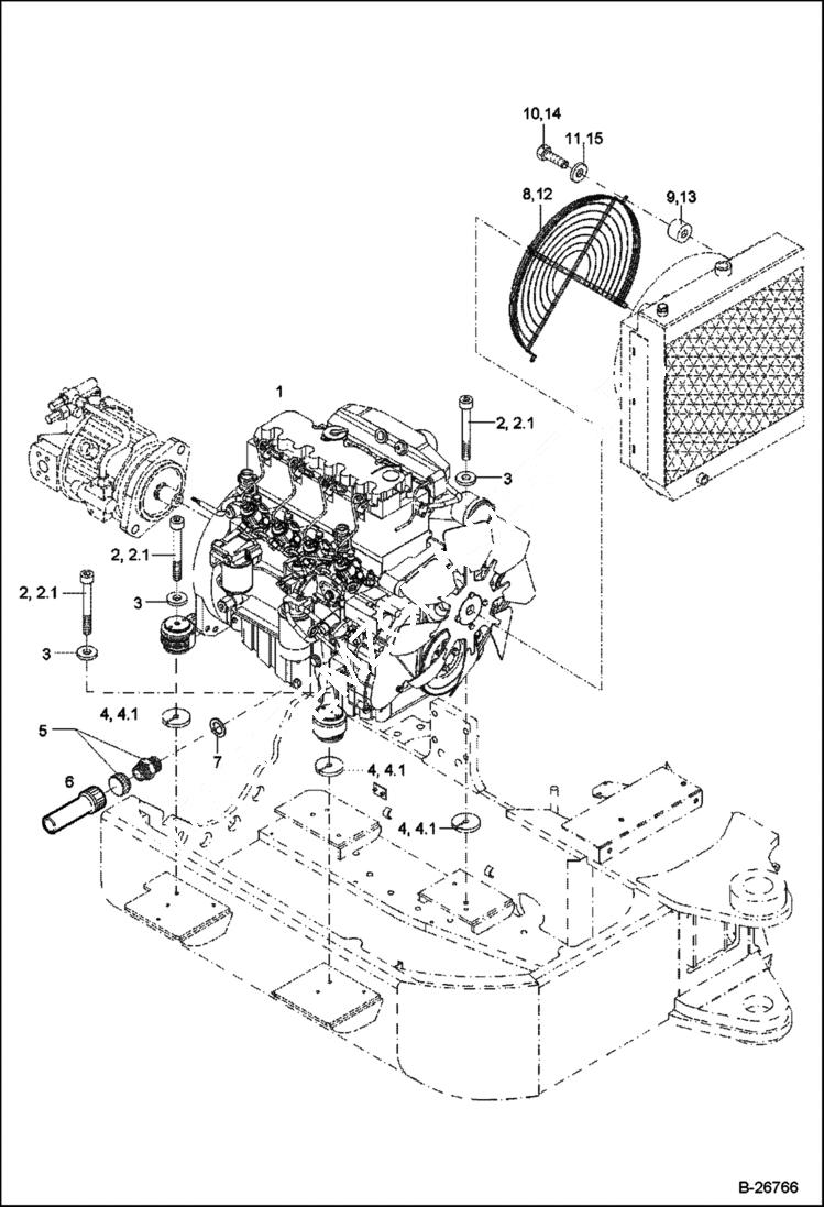
1

5411662230

ENGINE

2

1045707731

BOLT

2

1045707631

BOLT

3

1343707061

WASHER

4

0234015031

WASHER

5

5366654555

DRAIN PLUG

6

5366654556

HOSE, DRAIN

7

5411656336

SEAL

8

6190262005

SHIELD FAN option

9

0209124023

DISTANCE SLEEVE option

10

1008707818

BOLT option

11

1343707057

WASHER option

12

5619001003

FAN PROTECTION option

13

0156001065

SPACER option

14

1008707618

BOLT option

15

1290707018

WASHER option

Выбрано товаров: 16