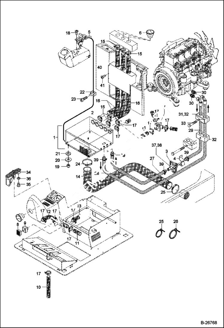
Запчасти Bobcat 442 HEATING 5289 11001 thru 11379 POWER UNIT

Схема запчастей Bobcat 442 - HEATING 5289 11001 thru 11379 POWER UNIT
FIT
1:1
100%

Артикул

Название

Примечание

Количество

1

5436662079

HEATING CMPL W/Ref. 2-9

2

5436662075

HEATING BOX

3

5436662051

HEATER VALVE

4

5436662053

CLAMP

5

5436662052

FAN CNTRL ASSY

6

5436662069

LOUVER

7

5436662071

ADAPTER

8

5436662056

LOUVER

9

5436662057

ADAPTER

10

5367628915

HOSE

11

5367628909

HOSE

12

5367628919

HOSE

13

5367628921

HOSE

14

5367628917

HOSE

15

5660201006

CLAMP

16

5367628923

HOSE

17

5603320394

CLAMP

18

1087707009

SCREW

19

1212251011

NUT

20

1307707018

WASHER

21

1343707057

WASHER

22

5603330001

CLAMP

23

1045707213

BOLT

24

5660095500

CLAMP

25

5653093560

BINDER

26

5350650280

BINDER

27

0234018010

HOSE

28

4116340116

HOSE

29

4116315116

HOSE

30

1915060565

ADAPTER

31

5660200230

COVER PLATE

32

5660199783

CLIP

33

1007707319

BOLT

34

5388662385

REGULATOR

35

1090707742

SCREW

36

1307707012

WASHER

37

5388662389

BOWDEN CABLE

38

1290707012

WASHER

39

5660200090

CLAMP

39

5660200090

CLAMP

39

5660200090

CLAMP

40

6234006160

CONSOLE

41

1087707324

SCREW

Выбрано товаров: 43