Качественные детали и логистика
Оригинальные и аналоговые запчасти с доставкой по России, Казахстану и Беларуси
©2022 PartSell ООО "Система" ИНН 2463123282 ОГРН 1212400004838
Центральный офис: г. Красноярск, Академика Киренского, д.87, пом.4
Телефон: 8 (800) 777-65-74 Email: zakaz@partsell.ru
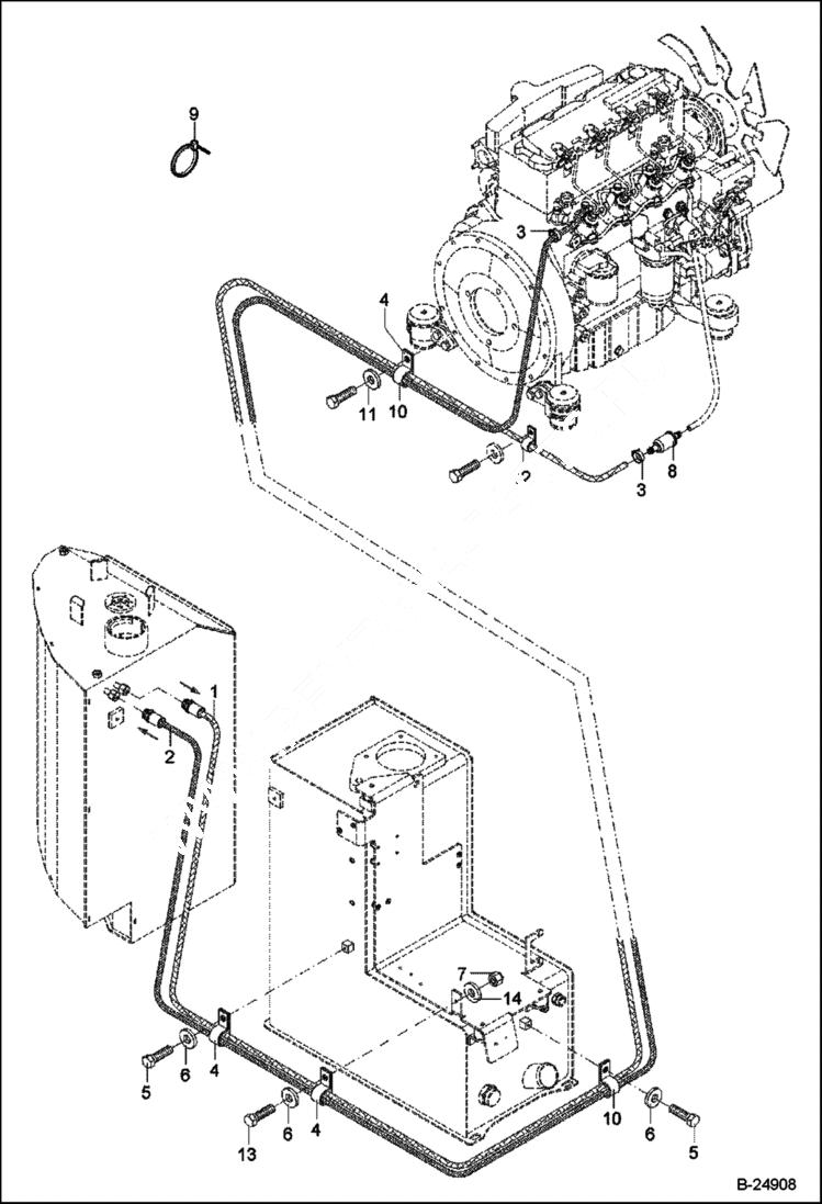
FUEL SUPPLY
№
Артикул
Название
Примечание
Количество
1
0234015045
HOSE Was 0208515040 - A
2
1290707018
WASHER
3
5603320317
CLIP
4
5000136820
HOSE CLIP
5
1008707018
BOLT
6
1343707057
7
1212251011
NUT
8
6687016
FUEL FILTER Was 5411657863 - A
9
5350650294
BINDER
10
5000210400
11
1290707020
12
5000095200
13
1008707318
Выбрано товаров: 0