Качественные детали и логистика
Оригинальные и аналоговые запчасти с доставкой по России, Казахстану и Беларуси
©2022 PartSell ООО "Система" ИНН 2463123282 ОГРН 1212400004838
Центральный офис: г. Красноярск, Академика Киренского, д.87, пом.4
Телефон: 8 (800) 777-65-74 Email: zakaz@partsell.ru
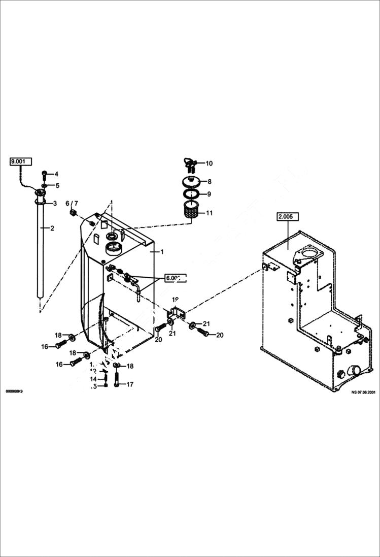
FUEL TANK
№
Артикул
Название
Примечание
Количество
1
6190014002
6190014102
2
5755586676
SENSOR Was 5755586639 - A
3
5755586619
SEAL
4
1045707609
BOLT
5
1290707012
WASHER
6
1912060357
PLUG
7
1911060157
UNION NUT
8
5051252630
COVER Includes Ref. 9 & 10
9
5051249910
10
CAP, KEY-FUEL NLA - Was 5051252505 - A
11
5051250100
INLET STRAINER
12
0157514025
13
1636815359
SEAL RING
14
5430583070
BLEEDING VALVE
15
5430583071
DUST CAP
16
1008707529
17
1007707830
18
1343707061
19
0190014014
BRACKET
20
1008707623
21
1343707059
Выбрано товаров: 0