Качественные детали и логистика
Оригинальные и аналоговые запчасти с доставкой по России, Казахстану и Беларуси
©2022 PartSell ООО "Система" ИНН 2463123282 ОГРН 1212400004838
Центральный офис: г. Красноярск, Академика Киренского, д.87, пом.4
Телефон: 8 (800) 777-65-74 Email: zakaz@partsell.ru
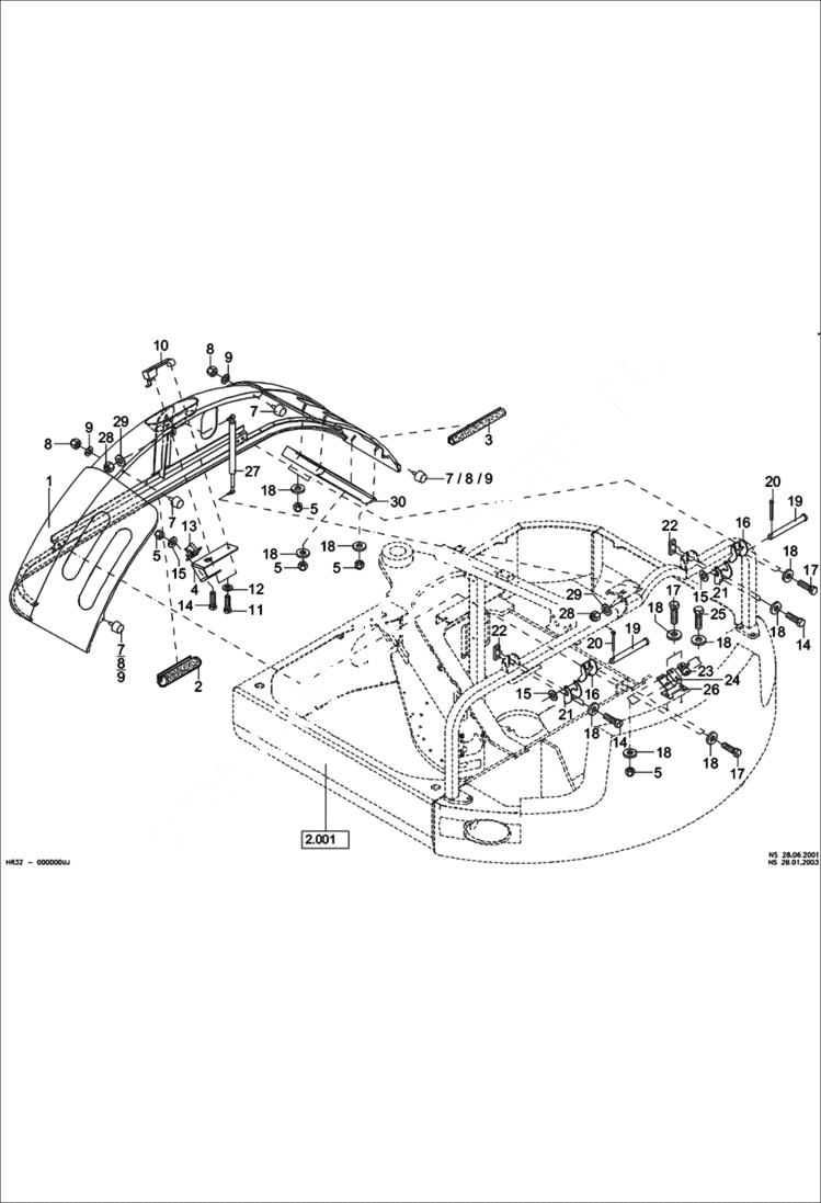
BACK HOOD (S/N 522311360 & Above)
№
Артикул
Название
Примечание
Количество
1
5529020117
COVER, REAR Complete W/Insulation, hinges & handle - Was 5529020056 - A
2
7025098
SEAL, BULK/MTR - A
3
7024438
SEAL - A
4
6190028030
BRACKET
5
1212251011
NUT
7
5101290955
STOP
8
1212251009
9
1307707014
WASHER
10
5354604442
PLASTIC HANDLE
11
1008707712
BOLT
12
1290707014
13
5354604335
HOOD LATCH
14
1008707018
15
1290707018
16
0190028029
HINGE
17
1008707318
18
1343707057
19
1360707139
PIN
20
1395707017
COTTER PIN
21
6190028028
22
0187528017
THREADED PLATE
23
5354604338
COTTER
24
6176028067
FLAP
25
1008707618
26
6190028032
ANGLE PLATE
27
5696636600
GAS SPRING Was 5696636625 - A
28
1212251013
29
1290707020
30
6190028090
GRID
Выбрано товаров: 0