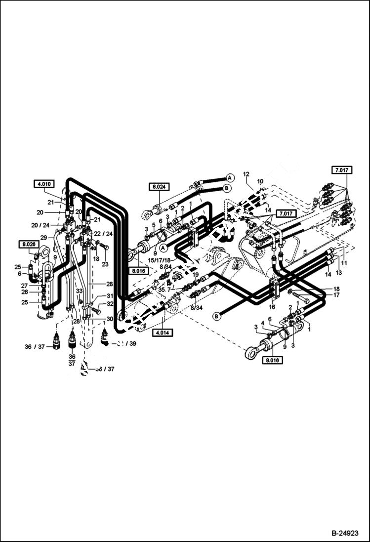
Запчасти Bobcat 442 HYDRAULIC INSTALLATION Circular Boom Part 2 HYDRAULIC SYSTEM

Схема запчастей Bobcat 442 - HYDRAULIC INSTALLATION Circular Boom Part 2 HYDRAULIC SYSTEM
FIT
1:1
100%

Артикул

Название

Примечание

Количество

1

4462080304

HOSE

2

1915060871

FITTING

3

1921060168

FITTING

4

0190126018

TUBELINE

5

0190126020

TUBING S3B2N

6

5660095400

HOSE CLIP

7

1913060166

FITTING

8

1913060155

FITTING

9

0110012050

RUBBER LAYER

10

4466176501

HOSE

11

4462230500

HOSE

12

4466222510

HOSE

13

4462220500

HOSE

14

4266223403

HOSE

15

0190126015

CLIP

16

0190126016

CLIP

17

1007707225

BOLT

18

1343707059

WASHER

19

1934060219

FITTING

20

4466123501

HOSE

21

4266120404

HOSE

22

5001207159

DISTRIBUTOR BLOCK

23

1007707724

BOLT

24

5001207157

HANDLE

25

4466097500

HOSE

26

1915060872

FITTING

27

0190107014

TUBING S3B2N

28

0203326038

TUBING L2B2N

29

0190126022

TUBELINE

30

0190126024

TUBELINE

31

0190106020

PIPE CLIP

32

1007707025

BOLT

33

1212251013

NUT

34

1636815379

SEAL RING

35

1636815281

SEAL RING

36

5260308016

COUPLING SOCKET

37

5260301147

COVER NUT

38

5260301145

COUPLING PLUG

38

5260308014

COUPLING PLUG

39

5260301149

PLUG

40

5001207160

ADAPTER, ACTUATOR

Выбрано товаров: 41