Качественные детали и логистика
Оригинальные и аналоговые запчасти с доставкой по России, Казахстану и Беларуси
©2022 PartSell ООО "Система" ИНН 2463123282 ОГРН 1212400004838
Центральный офис: г. Красноярск, Академика Киренского, д.87, пом.4
Телефон: 8 (800) 777-65-74 Email: zakaz@partsell.ru
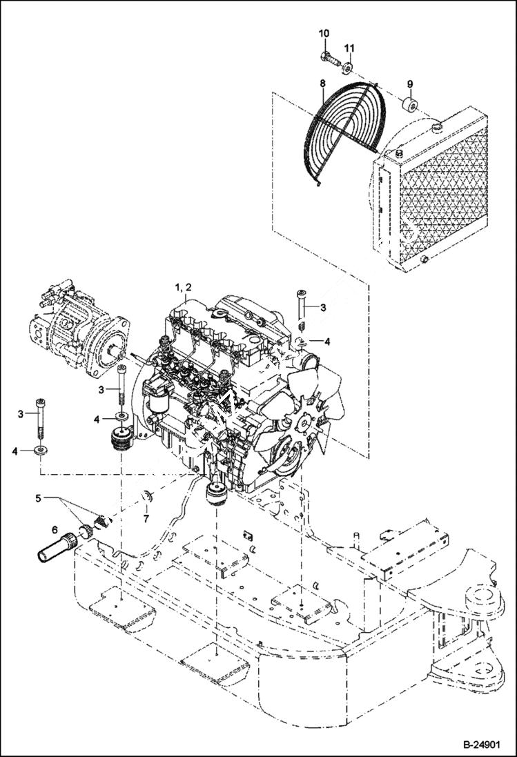
ENGINE ASSEMBLY
№
Артикул
Название
Примечание
Количество
1
ENGINE, TEREX 442 NLA - Diesel - Europe - Was 5411662265 - A
2
ENGINE NLA - Diesel - USA - Was 6234388000 - A
3
1045707631
BOLT
4
1343707061
WASHER
5
5366654555
DRAIN PLUG
6
5366654556
HOSE, DRAIN
7
5411656336
SEAL
8
5619001003
FAN PROTECTION option
9
0156001065
SPACER option
10
1008707618
BOLT option
11
1290707018
WASHER option
Выбрано товаров: 0