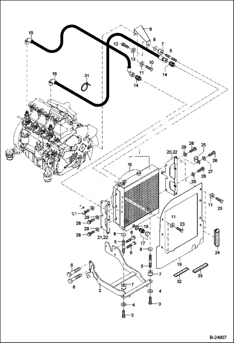
Запчасти Bobcat 442 COMBINED OIL COOLER POWER UNIT

Схема запчастей Bobcat 442 - COMBINED OIL COOLER POWER UNIT
FIT
1:1
100%

Артикул

Название

Примечание

Количество

1

5010672001

EXCHANGER, OIL COOLER W/Ref. 27 - 29

2

0234015155

BRACKET

3

1008707923

BOLT

4

1307707020

WASHER

5

1133341623

STUD

6

1007707436

BOLT

7

BEARING NLA - Was 5101290966 - A

8

1299707020

WASHER

9

6234015040

MOUNT

10

1008707817

BOLT

11

1343707057

WASHER

12

1008707423

BOLT

13

1343707059

WASHER

14

1915060567

FITTING

15

4801107215

HOSE

16

4801040407

HOSE

17

5366654555

DRAIN PLUG

18

1636815857

O-RING

19

8234006044

COVER Was 6234006044 - A

20

6234006045

MOUNT

21

8234006046

MOUNT Was 6234006046 - A

22

1940707011

NUT

23

1008707318

BOLT

24

7025098

SEAL, BULK/MTR - A

25

5000210463

HOSE CLIP

26

1008707018

BOLT

27

1290707018

WASHER

28

1008707912

BOLT

29

1343707055

WASHER

30

5010663058

COVER

31

5350650294

BINDER

32

5354640125

NEOPRENE STRIP Bulk - Sold per meter

33

5354640128

NEOPRENE STRIP Bulk - Sold per meter

Выбрано товаров: 33