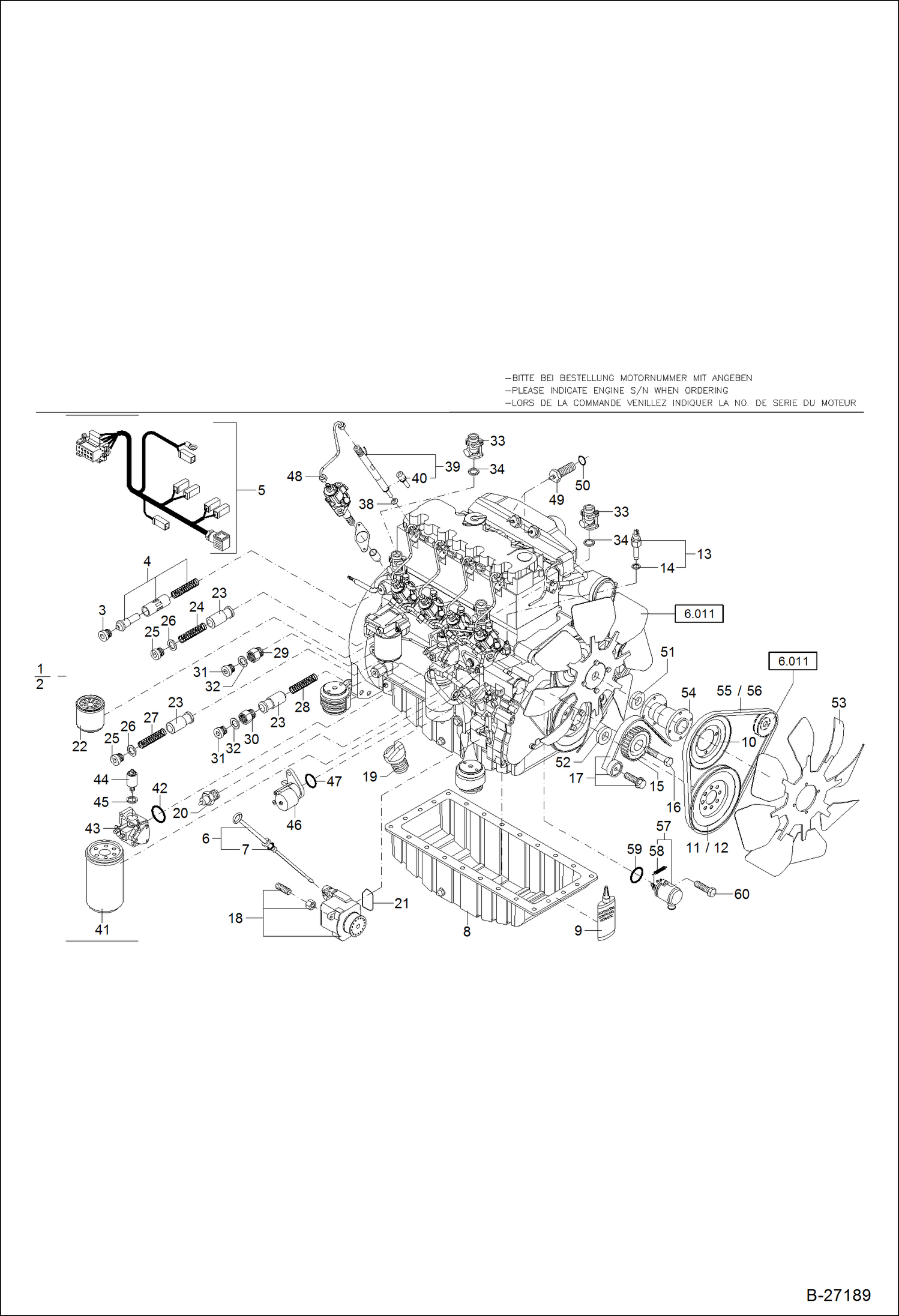
Запчасти Bobcat 442 ENGINE PARTS POWER UNIT

Схема запчастей Bobcat 442 - ENGINE PARTS POWER UNIT
FIT
1:1
100%

Артикул

Название

Примечание

Количество

1

ENGINE, TEREX 442 NLA - Was 5411662265 - A

2

ENGINE NLA - Was 6234388000 - A

3

5411663788

PLUG

4

5411664959

THERMOSTAT Was 5411657981 - A

5

5411663647

HARNESS

6

5411657084

OIL STICK W/Ref. 6

7

5411657129

O-SEAL

8

5411657085

OIL PAN

9

5411656992

PACKING COMPOUND

10

5411657026

PULLEY, DRIVE

11

5411656509

PULLEY EUROPE Europe

12

5411663445

PULLEY USA USA

13

5411663651

SENDER, TEMP ENG W/Ref. 14

14

5411656884

SEAL RING

15

5411663789

PULLEY, ENG

16

5411663790

BOLT

17

5411657858

REPAIR KIT Was 5411663791 - A

18

5411663447

PUMP, OIL ENG

19

5411657927

FILLER CAP

20

5411663213

OIL PRESSURE SWITCH

21

5411657861

SEAL RING

22

5411642211

OIL FILTER ENGINE

23

5411663889

VALVE, ENGINE Was 5411663792 - A

24

5411663793

SPRING, COMPRESSION compression

25

5411657549

PLUG Was 5411663794 - A

26

5411663011

SEAL

27

5411663795

SPRING, COMPRESSION compression

28

5411663796

SPRING, COMPRESSION compression

29

5411663797

ADAPTER, ENG

30

5411663890

ADAPTER, ENGINE Was 5411663798 - A

31

5411663799

PLUG

32

5411657373

SEAL RING

33

5411663198

CONNECTOR Was 5411663800 - A

34

5411663197

SEAL

35

INJECTION PUMP See BTI410 NLA

36

ROLLER See BTI410 NLA

37

6666512

SHIM

38

5411657853

SEAL, INJ FUEL

39

5411657852

INJECTOR, FUEL W/Ref. 40

40

5411657854

NOZZLE, INJ FUEL

41

5411656301

FUEL FILTER

42

5411663801

O-RING

43

5411663802

BOOSTER

44

5411657882

SOLENOID

45

5411657982

SEAL RING

46

5411663652

FUEL PUMP

47

5411663245

O-RING

48

5411663042

INJECTION PIPE

49

5411656283

GLOW PLUG

50

5411657049

SEAL RING

51

5411656289

SEAL, SHAFT shaft

52

5411656288

SEAL, SHAFT shaft

53

5411657091

COOLING FAN

54

5411657177

FAN SUPPORT

55

5411657859

BELT, FAN Europe

56

5411657150

V-BELT USA

57

5411664378

ENGINE SHUT OFF W/Ref. 58 - Was 5411663643 - A

58

5411663803

SPRING, TORSION

59

5411657871

O-SEAL

60

5411663804

BOLT

Выбрано товаров: 60