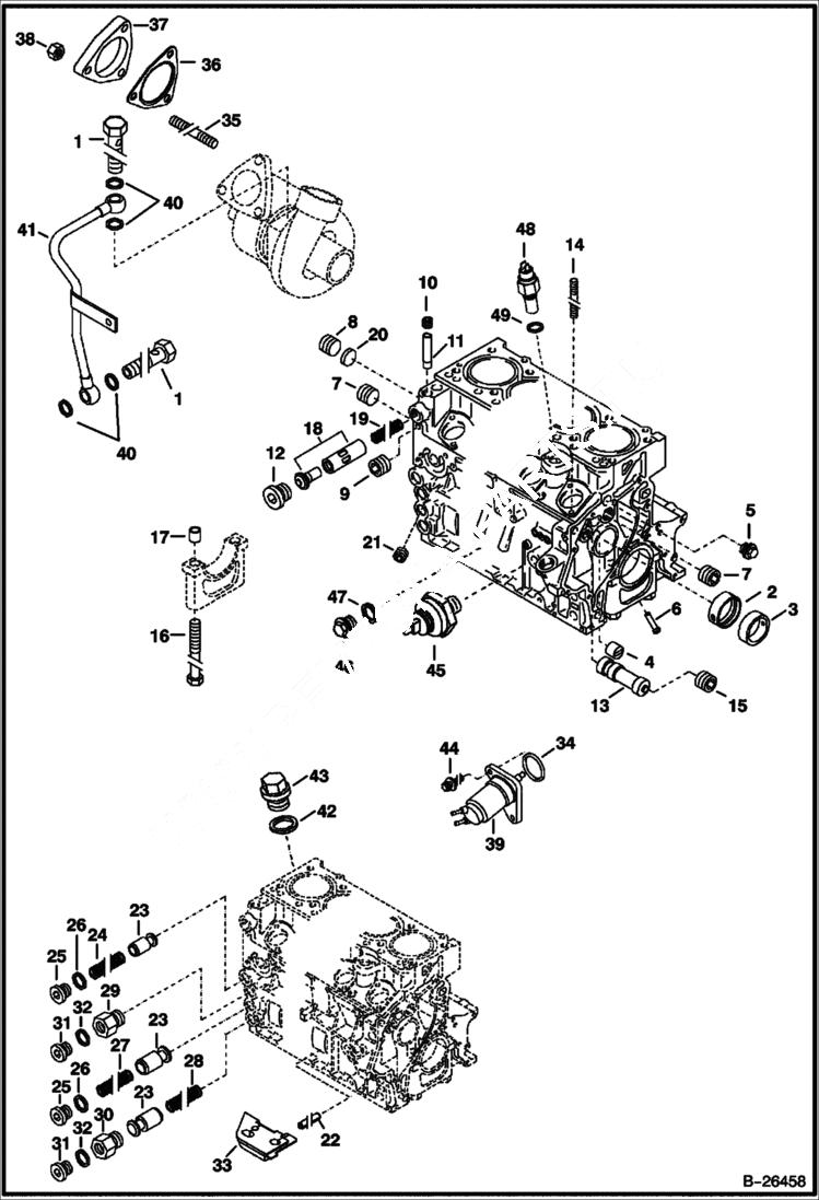
Запчасти Bobcat 442 CRANKCASE POWER UNIT

Схема запчастей Bobcat 442 - CRANKCASE POWER UNIT
FIT
1:1
100%

Артикул

Название

Примечание

Количество

1

6666396

SCREW W/Ref. 2-19

2

6666738

BEARING

3

6666737

BEARING

4

6666718

SLEEVE

5

6666751

PLUG

6

6666746

NOZZLE

7

6688245

PLUG

8

6672874

PLUG

9

6672872

PLUG

10

6672876

PLUG

11

6666741

TUBE

12

6668946

PLUG Was 6672877 - A

12

6688176

O-RING

13

6688283

PLUG

14

6688194

STUD

15

6672878

PLUG

16

6666719

BOLT

17

6666722

DOWEL

18

6668945

THERMOSTAT W/Ref. 19 - rated @ 199.4 degrees F (93 degrees C)

19

6666743

SPRING

20

6688146

COVER

21

6672875

PLUG

22

6687842

PIN

23

6666510

VALVE

24

6668941

SPRING

25

6666387

PLUG

26

6666395

SEAL RING

27

6668903

SPRING

28

6668902

SPRING

29

6668900

ADAPTER

30

6668901

ADAPTER

31

6668889

PLUG

32

6668887

O-RING

33

6688227

SPACER, RUBBER

34

6688197

O-RING

35

6666407

STUD

36

6665910

GASKET

37

6673169

FLANGE

38

6681324

NUT

39

6688297

FUEL PUMP

40

2FM12155

WASHER

41

6688242

OIL LINE

42

6666393

SEAL RING

43

6672901

RING

44

6688182

BOLT

45

6688175

SWITCH, PRESS OIL ENG

46

6666689

PLUG

47

6666394

SEAL RING

48

6666424

TEMP SENS W/Ref. 2

49

6666405

WASHER

Выбрано товаров: 0