Запчасти Bobcat 442 ALTERNATOR & ATTACHING PARTS POWER UNIT

Схема запчастей Bobcat 442 - ALTERNATOR & ATTACHING PARTS POWER UNIT
FIT
1:1
100%

Артикул

Название

Примечание

Количество

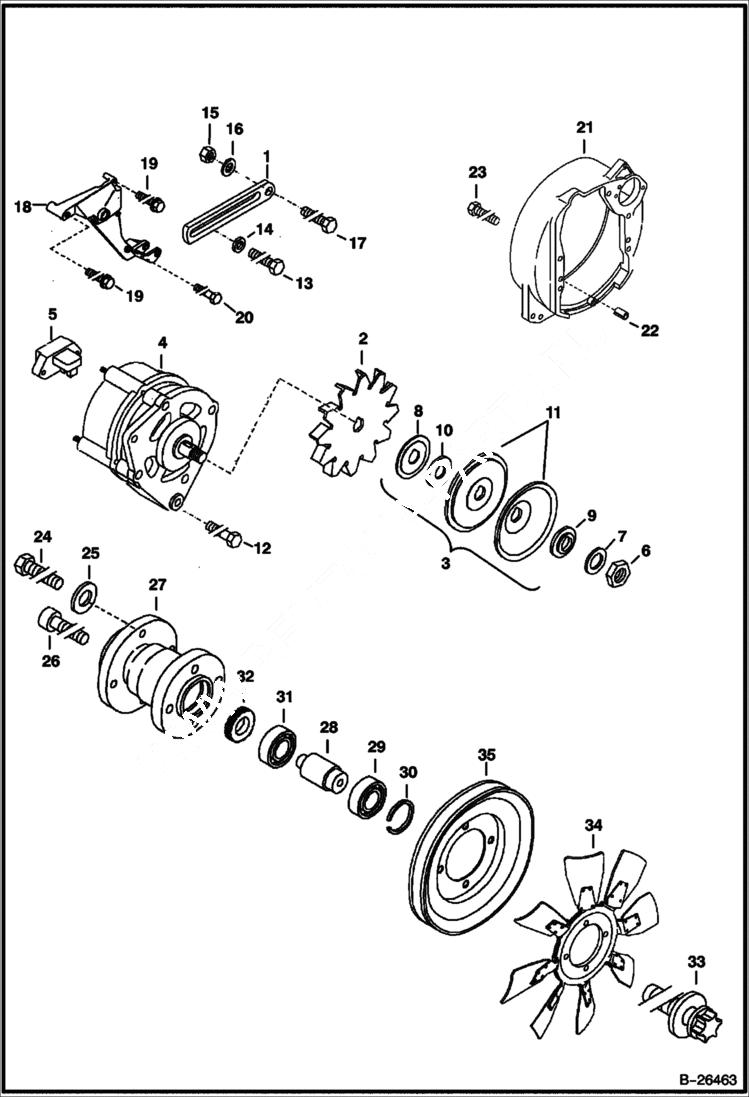
1

6688212

BRACKET

2

6688156

FAN

3

6688163

V-GROOVED PULLEY

4

6988705

ALTERNATOR Was 6681357 - A

5

6681359

RELAY VOLTAGE

6

6681261

NUT

7

6681358

WASHER SPRING

8

6688162

WASHER

9

6688165

WASHER

10

6688164

WASHER

11

6688166

BELT PULLEY

12

6687847

BOLT

13

6688148

BOLT

14

6516027

WASHER

15

1DM8

NUT

16

6EM80

WASHER, SPRING

17

6688149

BOLT

18

6688256

BRACKET

19

6688187

BOLT

20

6687845

BOLT

21

6688243

HOUSING

22

6688209

DOWEL

23

6687836

BOLT

24

6681248

BOLT

25

6688154

WASHER

26

6688155

SCREW

27

6688232

SPACER, FAN

28

6688231

SHAFT

29

6687835

BALL BEARING

30

6688157

CIRCLIP

31

6688174

BEARING, BALL

32

6688159

WASHER

33

6688181

BOLT

34

6688237

FAN

35

6682222

PIN

Выбрано товаров: 35