Качественные детали и логистика
Оригинальные и аналоговые запчасти с доставкой по России, Казахстану и Беларуси
©2022 PartSell ООО "Система" ИНН 2463123282 ОГРН 1212400004838
Центральный офис: г. Красноярск, Академика Киренского, д.87, пом.4
Телефон: 8 (800) 777-65-74 Email: zakaz@partsell.ru
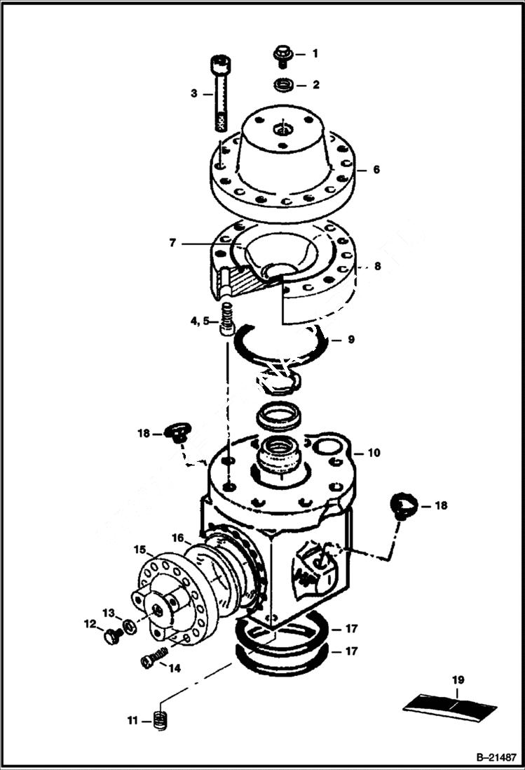
BREAKER B1400
№
Артикул
Название
Примечание
Количество
1
6680190
SCREW
2
6680191
WASHER
3
6680192
4
6680193
5
6680194
6
6680195
FLANGE UPPER
7
6677943
DIAPHRAM
8
6680196
FLANGE LOWER
9
O-RING NSS
10
6680197
BLOCK
11
6680198
INSERT THREADED
12
6680199
13
6680200
RING
14
6676694
BOLT
15
6680201
16
6680202
DIAPHRAGM
17
18
6680203
PLUG
19
6682450
SEAL KIT Ref. 9 & 17 on this page and Ref. 4, 8, 19, 20 & 21 on Ill. B21488
Выбрано товаров: 0