Запчасти Bobcat 442 BREAKER B1400 ACCESSORIES & OPTIONS

Схема запчастей Bobcat 442 - BREAKER B1400 ACCESSORIES & OPTIONS
FIT
1:1
100%

Артикул

Название

Примечание

Количество

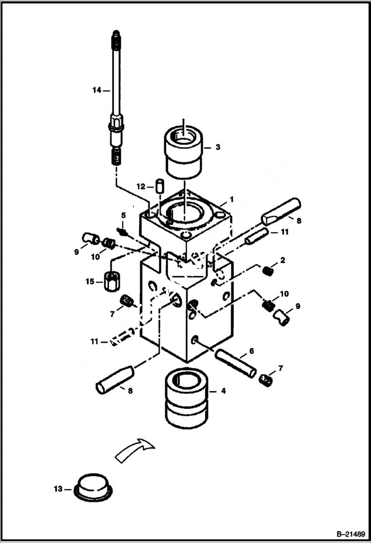
1

6680221

GUIDE

2

6677965

PLUG

3

6680222

BUSHING

4

6680223

BUSHING

5

6693011

GREASE ZERK

6

6680224

PIN

7

6680225

PLUG

8

6680226

PIN

9

6680227

LOCK

10

6680228

SPRING

11

6680229

PIN

12

6680230

PIN

13

6680231

PLUG

14

6680232

BOLT

15

6680233

NUT

Выбрано товаров: 15