Запчасти Bobcat 442 BUCKET Swiveling - Quick Release - Terex 1250mm ACCESSORIES & OPTIONS

Схема запчастей Bobcat 442 - BUCKET Swiveling - Quick Release - Terex 1250mm ACCESSORIES & OPTIONS
FIT
1:1
100%

Артикул

Название

Примечание

Количество

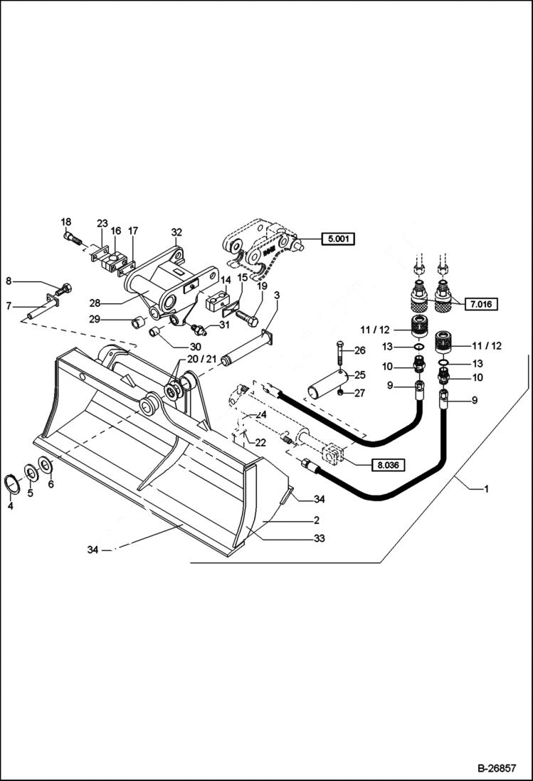
1

SWIVELLING BUCKET NLA - Was 6190245000 - A

2

BUCKET NLA - Swivelling - 1250mm - W/Ref. 33 & 34 - Was 6223331101 - A

3

0210951040

PIN

4

1455622750

SNAP RING

5

1309412425

SHIM

6

1309412434

SHIM

7

0223246010

PIN, BUCKET

8

1008707817

BOLT

9

4260222355

HOSE

10

6223241004

THROTTLE

11

5260301140

COUPLING SOCKET W/Ref. 37-39

12

5260301147

COVER NUT

13

1970956719

O-RING

14

5660199788

HOSE CLIP

15

5660200230

COVER PLATE

16

5660199791

HOSE CLIP

17

5660199807

PLATE

18

1007707214

BOLT

19

1007707319

BOLT

20

1309412926

SHIM

21

1309412934

SHIM

22

NAME PLATE NSS - 1250mm

23

5660200130

COVER

24

RIVET NSS

25

0502045021

PIN

26

1007707120

BOLT

27

1212251011

NUT

28

6223340102

SLEW DEVICE

29

5557313800

BUSHING

30

0223330119

BUSHING

31

1607003006

GREASE NIPPLE

32

5660199789

WELDING PLATE

33

6223332018

CUTTING EDGE

34

6223331005

CUTTING EDGE

Выбрано товаров: 0