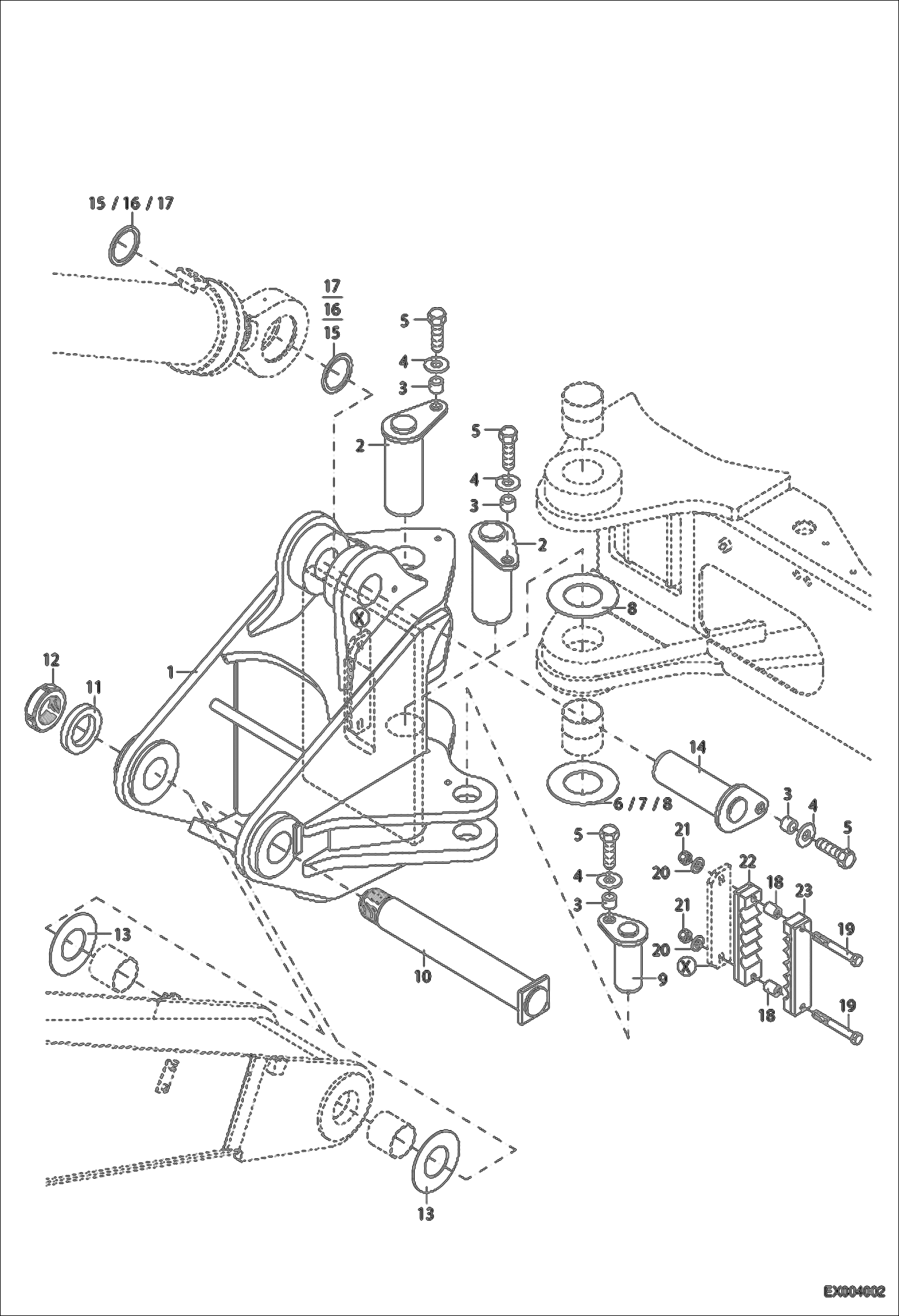
Запчасти Bobcat 442 KING POST - CIRCULAR BOOM WORK EQUIPMENT

Схема запчастей Bobcat 442 - KING POST - CIRCULAR BOOM WORK EQUIPMENT
FIT
1:1
100%

Артикул

Название

Примечание

Количество

1

0190024002

PIVOT POST

2

0190024050

PIN

3

0156029033

SPACER

4

1343707061

WASHER

5

1008707829

BOLT

6

0202524052

WASHER

7

0202524057

WASHER

8

0202524053

WASHER

9

0157950045

PIN Was 0203024024 - A

10

0209127041

PIN

11

0209127045

ZINC COATED RING

12

1212707446

SLOTTED NUT

13

0202524050

WASHER

14

6190024020

PIN

15

1309412013

SHIM

16

1309412825

SHIM

17

1309412834

SHIM

18

0209124023

DISTANCE SLEEVE

19

1007707725

BOLT

20

1290707020

WASHER

21

1212251013

NUT

22

0190126013

CLIP

23

0190126014

CLIP

Выбрано товаров: 23