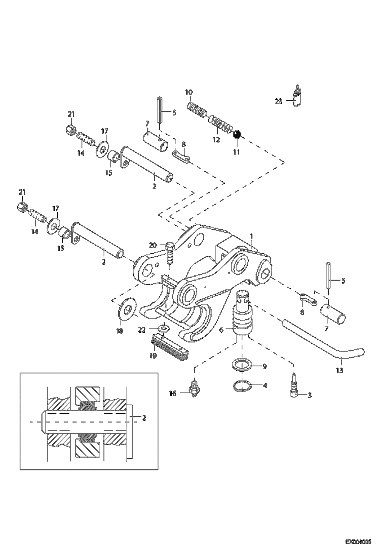
Запчасти Bobcat 442 QUICK MOUNT HITCH - TEREX WORK EQUIPMENT

Схема запчастей Bobcat 442 - QUICK MOUNT HITCH - TEREX WORK EQUIPMENT
FIT
1:1
100%

Артикул

Название

Примечание

Количество

1

6203130002

QUICK MOUNT HITCH

2

0151703030

PIN

3

0155203109

PIN

4

1456622857

CIRCLIP

5

1380622641

PIN ROLL

6

0151703735

SCREW BOLT

7

0203130136

PIN

8

0203130137

FLAP

9

1309412434

SHIM

10

1133311041

STUD

11

1516638242

STEEL BALL

12

5064248405

SPRING

13

0151703641

LEVER

14

1124707529

BOLT

15

0203130033

BUSHING

16

1607003010

GREASE NIPPLE

17

1307707022

WASHER

18

0194019025

WASHER

19

0203130013

RUBBER RAIL

20

1008707318

BOLT

21

1212251014

NUT

22

1307707018

WASHER

23

MCS001035A

GLUE

Выбрано товаров: 23