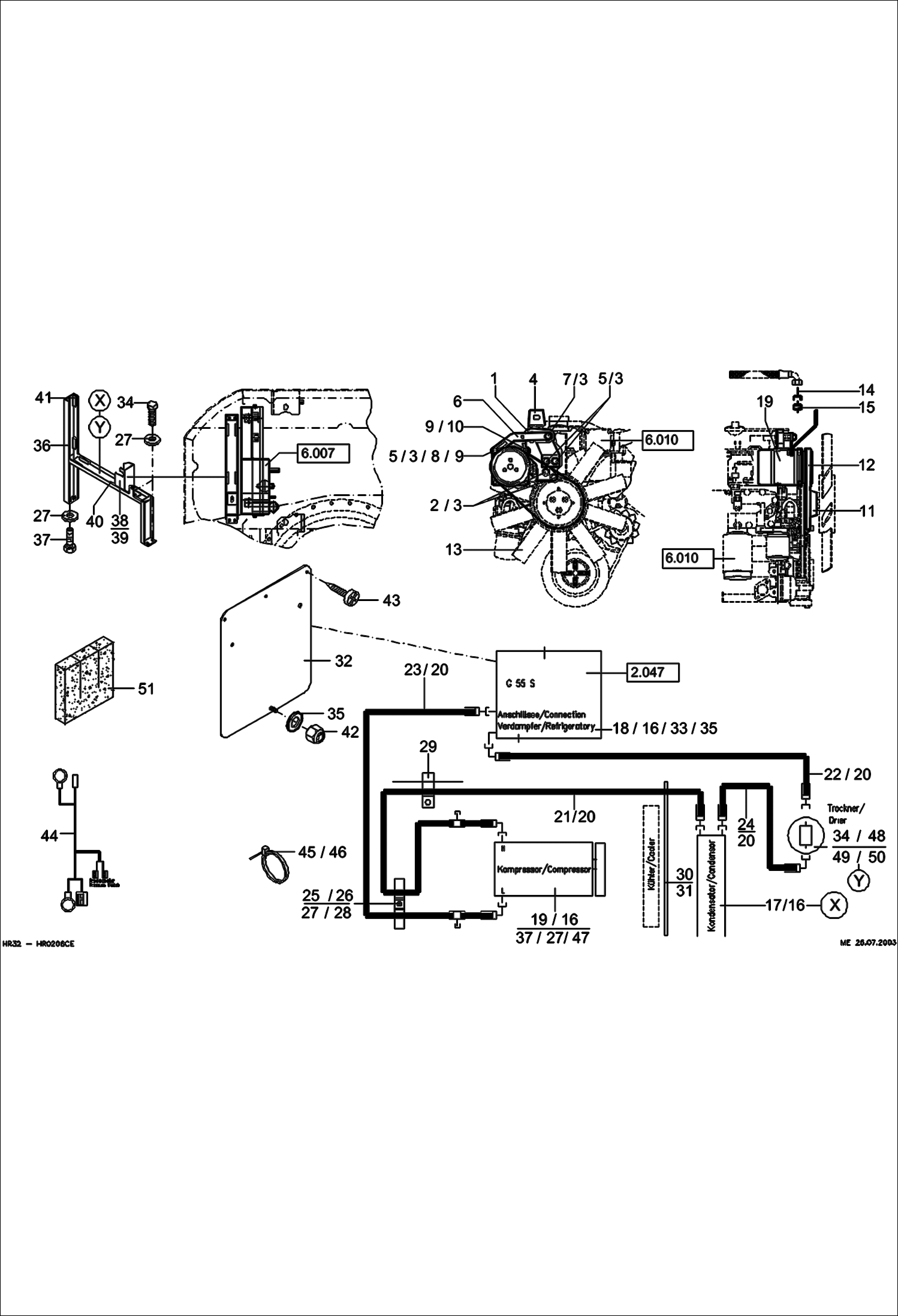
Запчасти Bobcat 442 AIR CONDITIONING - NEW VERSION 5223 11650 thru 5223 11754 MAIN FRAME

Схема запчастей Bobcat 442 - AIR CONDITIONING - NEW VERSION 5223 11650 thru 5223 11754 MAIN FRAME
FIT
1:1
100%

Артикул

Название

Примечание

Количество

1

6190271020

BRACKET

2

1008707324

BOLT

3

1343707059

WASHER

4

6190271015

BRACKET

5

1008707424

BOLT

6

6190271010

LEVER

7

1008707923

BOLT

8

1290707020

WASHER

9

1212251013

NUT

10

1007707625

BOLT

11

5411661981

PULLEY

12

1490953883

V-BELT

13

5411661935

SUCTION FILTER

14

1934060170

FITTING

15

1915060567

FITTING

16

0190272250

AIR CONDITIONER W/Ref. 17,18,19,63-66 - Was 0190272150 - A

17

5436662001

CONDENSOR with drier

18

5436662015

EVAPORATOR

19

5436662003

COMPRESSOR, A/C

20

0190272051

HOSE SET W/Ref. 21, 22, 23, 24

21

5436662012

HOSE

22

5436662011

HOSE

23

5436662013

HOSE

24

5436662010

HOSE

25

5000136820

HOSE CLIP

26

5000210400

HOSE CLIP

27

1343707057

WASHER

28

1007707719

BOLT

29

5000210450

HOSE CLIP

30

6190272009

PLATE

31

5354600010

RUBBER PROFILE

32

6190371005

BRACKET

33

1008707213

BOLT

34

1008707817

BOLT

35

1290707014

WASHER

36

6190272060

BRACKET SUPPORT

37

1008707318

BOLT

38

6190272012

BRACKET

39

7023313

SEALING SECTION - A

40

5354640128

NEOPRENE STRIP

41

5354640120

RUBBER

42

1212251009

NUT

43

1090707742

SCREW

44

0190272020

HARNESS

45

5653093560

BINDER

46

5350650280

BINDER

47

1212251011

NUT

48

5436662004

DRIER, A/C ASSY

49

5436662005

BRACKET

50

5436662006

PRESSURE SWITCH

51

0190371015

INSULATION

Выбрано товаров: 51