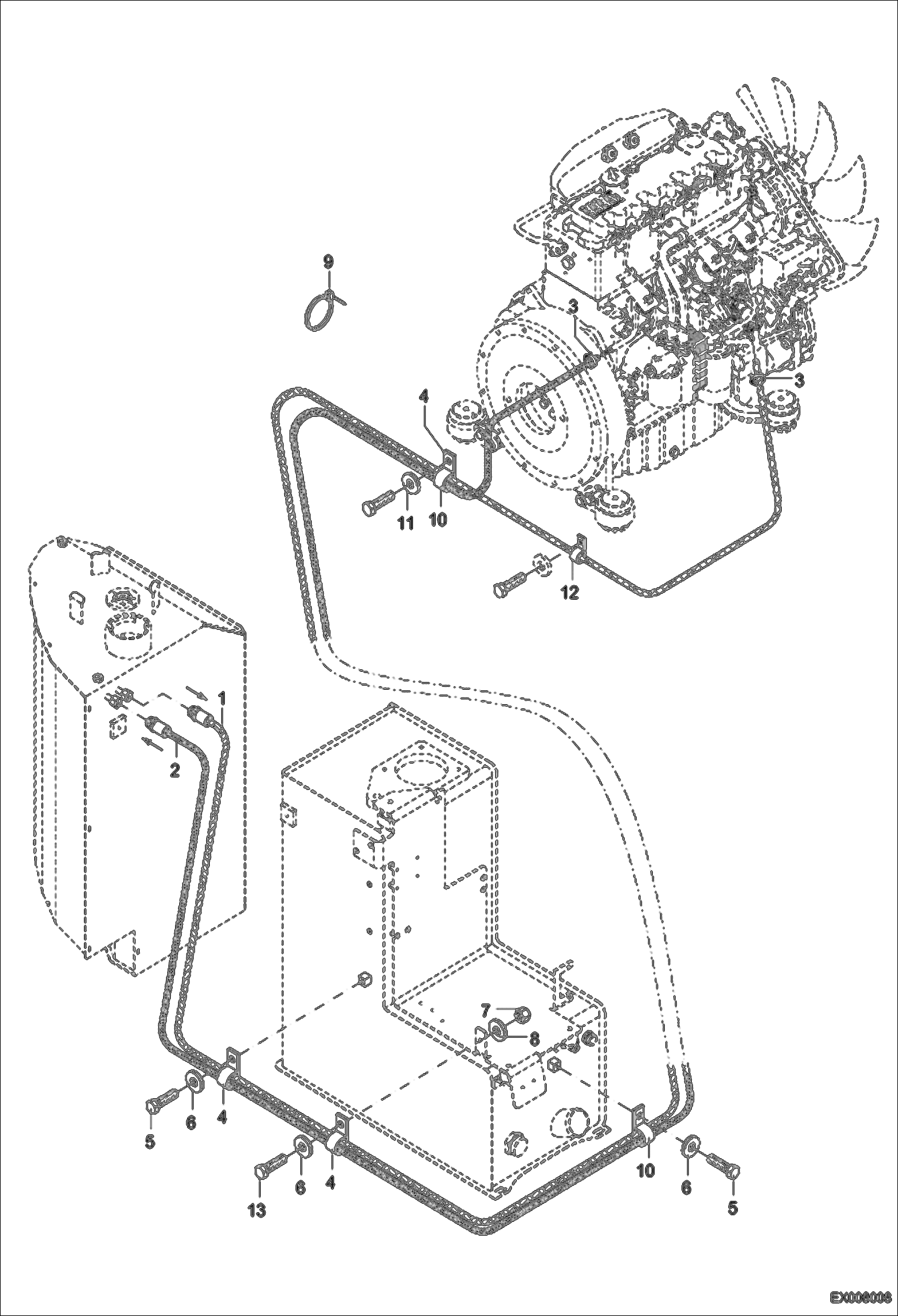
Запчасти Bobcat 442 FUEL SUPPLY POWER UNIT

Схема запчастей Bobcat 442 - FUEL SUPPLY POWER UNIT
FIT
1:1
100%

Артикул

Название

Примечание

Количество

1

0234015045

HOSE suction line

2

0234015045

HOSE return line

3

5603320317

CLIP

4

5000136820

HOSE CLIP

5

1008707018

BOLT

6

1343707057

WASHER

7

1212251011

NUT

8

1290707018

WASHER

9

5350650294

BINDER

10

5000210400

HOSE CLIP

11

1290707020

WASHER

12

5000095200

HOSE CLIP

13

1008707318

BOLT

Выбрано товаров: 13