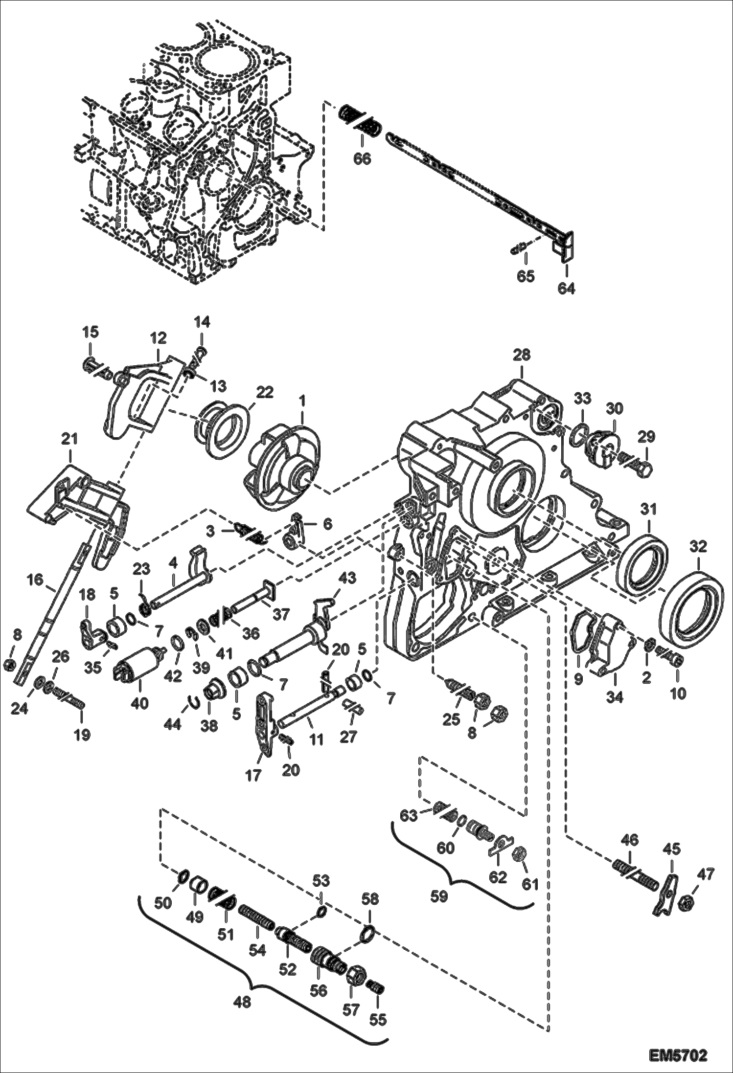
Запчасти Bobcat 442 GOVERNOR GROUP POWER UNIT

Схема запчастей Bobcat 442 - GOVERNOR GROUP POWER UNIT
FIT
1:1
100%

Артикул

Название

Примечание

Количество

1

7013524

SENSOR

2

6513740

WASHER Was 7012028 - D

3

6688226

SPRING Was 7012028 - A

4

7012029

LEVER

5

7013481

SLEEVE

6

7013482

LEVER

7

7013400

ORING

8

7013372

NUT HEXAGON

9

7013492

WASHER PROFILE

10

7013398

SCREW

11

7013515

SHAFT LEVER

12

7012030

LEVER

13

7013366

BEARING BALL

14

7012031

PIN

15

6666687

NAIL Was 7013346 - A

16

7013487

AXLE

17

6672945

ARM Was 7013495 - A

18

7013522

LEVER

19

6666700

STUD Was 7013379 - A

20

7013348

PIN STRAIGHT

21

7012032

LEVER

22

6679571

SLEEVE Was 7013507 - A

23

7013521

SPRING TORSION

24

7013452

WASHER PLAIN

25

7012033

SET SCREW

26

7013429

WASHER PLAIN

27

7013335

PIN PARALLEL

28

7010893

COVER, FRONT

29

7013369

BOLT HEXAGON

30

7013490

VALVE BREATHER

31

6666731

SEAL Was 7013480 - A

32

6666730

SEAL Was 7013479 - A

33

7013413

ORING

34

7013493

COVER

35

7013362

PIN STRAIGHT

36

7013518

SPRING COMPRESSION

37

7012034

SHAFT

38

7012035

NUT

39

7012036

WASHER

40

7013506

SOLENOID

41

7013427

WASHER PLAIN

42

7013425

ORING

43

7012037

LEVER

44

7013418

RING HALF-MOON

45

6666475

CLAW Was 7013476 - A

46

7013386

STUD

47

7013345

NUT HEXAGON

48

7012038

ADAPTER W/Ref. 49-58

49

7013509

STOP LIMIT

50

6666389

CIR CLIP Was 7013337 - A

51

6666483

SPRING Was 7013477 - A

52

6690620

SET SCREW Was 7013531 - A

53

7013415

ORING

54

7012039

SET SCREW

55

7012040

SET SCREW

56

6690621

ADJUSTING SCREW Was 7013519 - A

57

7013443

NUT HEXAGON

58

7013390

ORING

59

7013527

BUSHING W/Ref. 60-63

60

6673165

O-RING Was 7013395 - A

61

7013345

NUT HEXAGON

62

6673166

WASHER Was 7013478 - A

63

7013525

SPRING COMPRESSION

64

6673163

ROD Was 7013498 - A

65

6666496

PIN Was 7013483 - A

66

6666465

SPRING Was 7013470 - A

Выбрано товаров: 66