Качественные детали и логистика
Оригинальные и аналоговые запчасти с доставкой по России, Казахстану и Беларуси
©2022 PartSell ООО "Система" ИНН 2463123282 ОГРН 1212400004838
Центральный офис: г. Красноярск, Академика Киренского, д.87, пом.4
Телефон: 8 (800) 777-65-74 Email: zakaz@partsell.ru
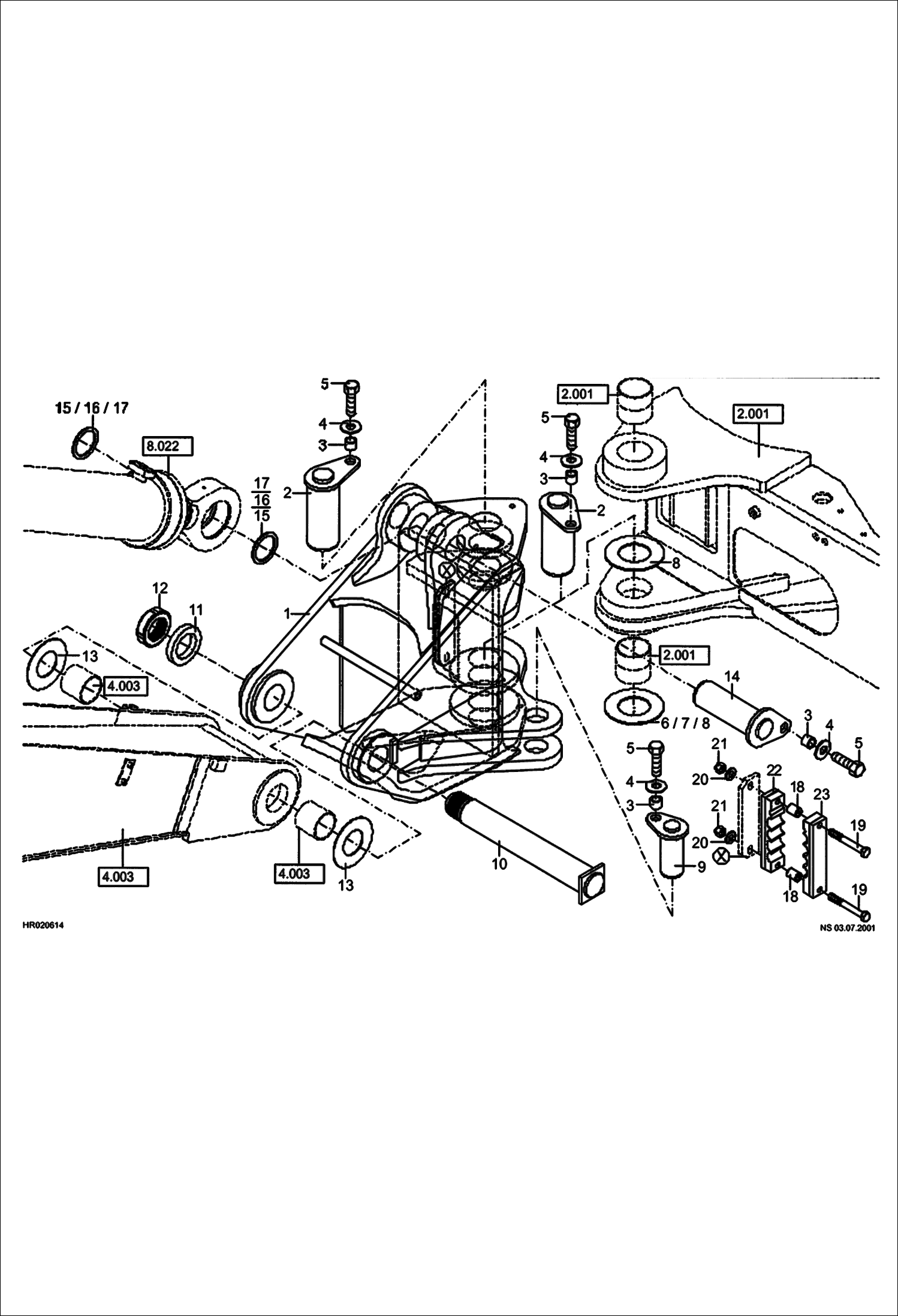
BOOM Mono
№
Артикул
Название
Примечание
Количество
1
0190024002
PIVOT POST Was 6190024002 - A
2
0190024050
PIN Was 6190024050 - A
3
0156029033
SPACER
4
1343707061
WASHER
5
1008707829
BOLT
6
0202524052
7
0202524057
8
0202524053
9
0203024024
PIN Was 6203024024 - A
10
0209127041
PIN Was 6209127041 - A
11
0209127045
ZINC COATED RING
12
1212707446
SLOTTED NUT
13
0202524050
14
0190024020
PIN Was 6190024020 - A
15
1309412013
SHIM
16
1309412825
17
1309412834
18
0209124023
DISTANCE SLEEVE
19
1007707725
20
1290707020
21
1212251013
NUT
22
0190024041
CLIP
23
0190024042
Выбрано товаров: 0