Качественные детали и логистика
Оригинальные и аналоговые запчасти с доставкой по России, Казахстану и Беларуси
©2022 PartSell ООО "Система" ИНН 2463123282 ОГРН 1212400004838
Центральный офис: г. Красноярск, Академика Киренского, д.87, пом.4
Телефон: 8 (800) 777-65-74 Email: zakaz@partsell.ru
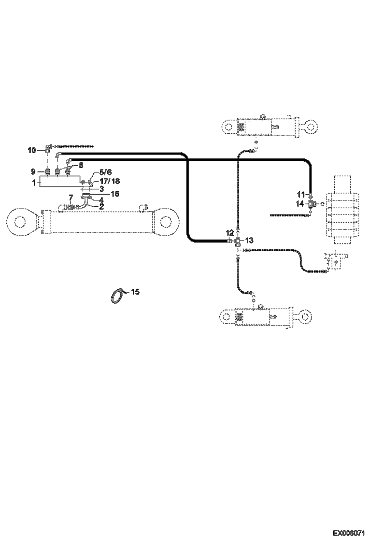
LOAD HOLDING VALVE - DIPPER ARM - MONO
№
Артикул
Название
Примечание
Количество
1
5167659758
LOAD CHECK VALVE W/Ref. 17-18
2
5000261400
FLANGE
3
5000281401
SPACER
4
1045707719
BOLT
5
1290707018
WASHER
6
1212251011
NUT
7
1938060179
FITTING
8
1915060255
9
1915060478
10
1924060166
ELBOW FITTING
11
4506650351
HOSE
12
4506320351
13
1919060351
14
1919060151
15
5653093560
BINDER
16
1971956010
O-RING
17
5167660058
18
5167660059
BACKUP WASHER
Выбрано товаров: 0