Запчасти Bobcat 444 QUICK MOUNT HITCH MAIN FRAME

Схема запчастей Bobcat 444 - QUICK MOUNT HITCH MAIN FRAME
FIT
1:1
100%

Артикул

Название

Примечание

Количество

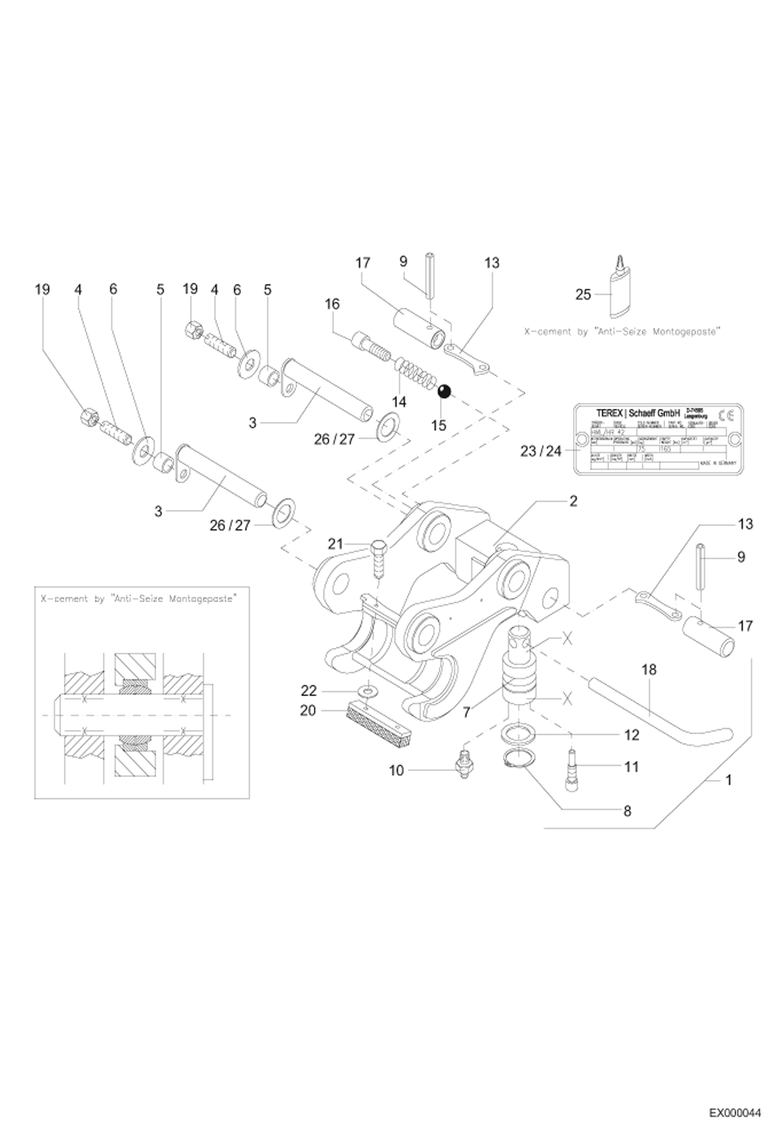
1

6155203400

QUICK MOUNT HITCH CPL

2

6155203402

QUICK MOUNT HITCH

3

6155203005

PIN

4

1124707529

BOLT

5

0203130033

BUSHING

6

1307707022

WASHER

7

6155203108

PIN

8

1456622765

CIRCLIP

9

1380622941

PIN ROLL

10

1607003010

GREASE NIPPLE

11

6239130000

QUICK MOUNT HITCH CPL

11

0155203109

PIN

12

1309412226

SHIM

13

6155203010

FLAP

14

5064248405

SPRING

15

1516638236

STEEL BALL

16

1045707041

BOLT Secure with SCHAEFFLOCK 2042

17

0155203412

PIN

18

0151703641

LEVER Was 6151703641 - A

19

1212251014

NUT

20

0203130013

RUBBER RAIL

21

6239130002

QUICK MOUNT HITCH

21

1008707318

BOLT

22

1307707018

WASHER

23

NAME PLATE

24

1940120941

RIVET

25

MCS001035A

GLUE

26

0194019025

WASHER

27

0194019227

WASHER

Выбрано товаров: 29