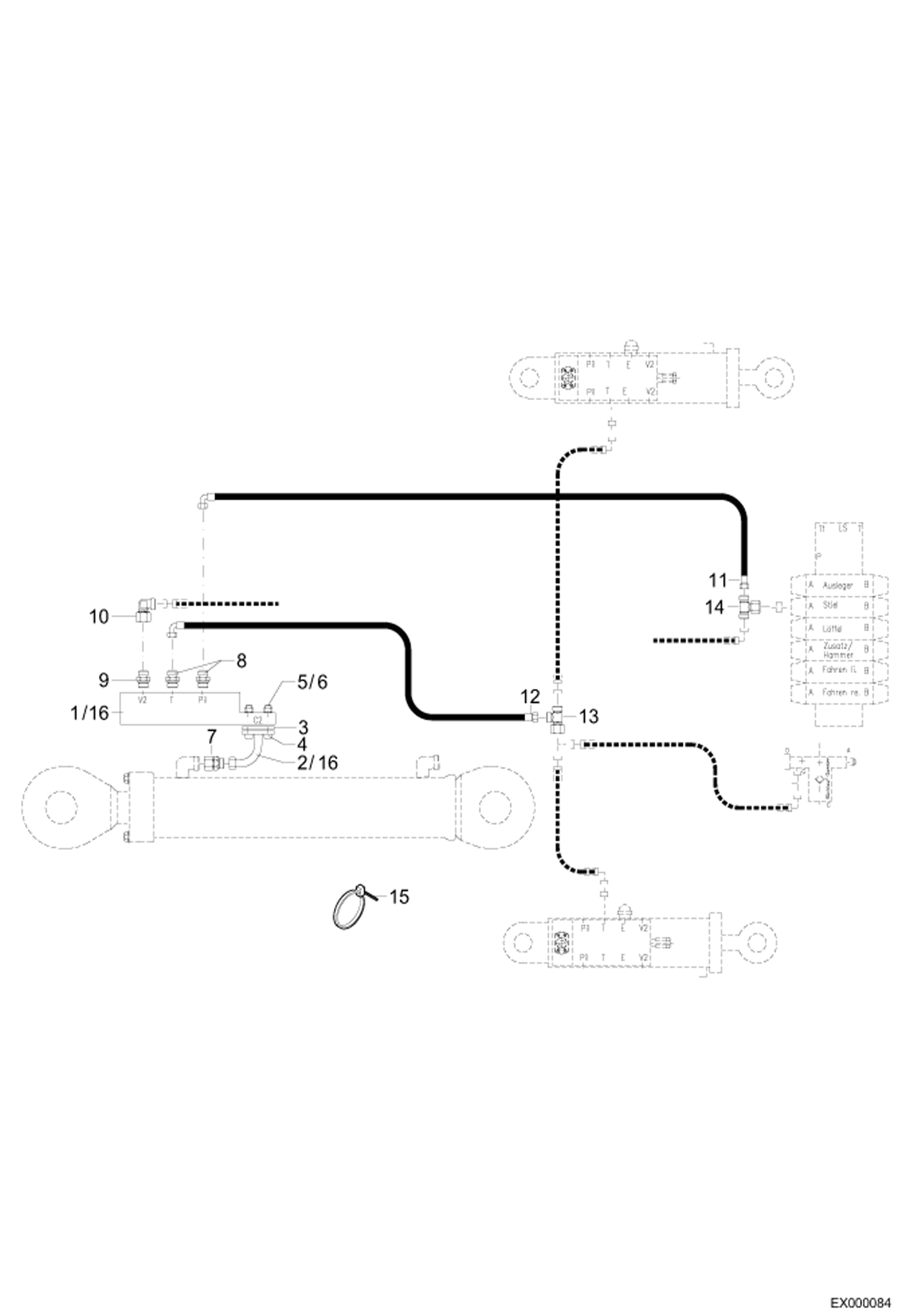
Запчасти Bobcat 444 LOAD HOLDING VALVE - DIPPER ARM - MONO HYDRAULIC INSTALLATION

Схема запчастей Bobcat 444 - LOAD HOLDING VALVE - DIPPER ARM - MONO HYDRAULIC INSTALLATION
FIT
1:1
100%

Артикул

Название

Примечание

Количество

1

5167659758

LOAD CHECK VALVE

2

5000261400

FLANGE

3

5000281401

SPACER

4

1045707719

BOLT

5

1290707018

WASHER

6

1212251011

NUT

7

1938060179

FITTING

8

1915060255

FITTING

9

1915060478

FITTING

10

1924060166

ELBOW FITTING

11

4506650351

HOSE

12

4506320351

HOSE

13

1919060351

FITTING

14

1919060151

FITTING

15

5653093560

BINDER

16

1971956010

O-RING

Выбрано товаров: 16