Качественные детали и логистика
Оригинальные и аналоговые запчасти с доставкой по России, Казахстану и Беларуси
©2022 PartSell ООО "Система" ИНН 2463123282 ОГРН 1212400004838
Центральный офис: г. Красноярск, Академика Киренского, д.87, пом.4
Телефон: 8 (800) 777-65-74 Email: zakaz@partsell.ru
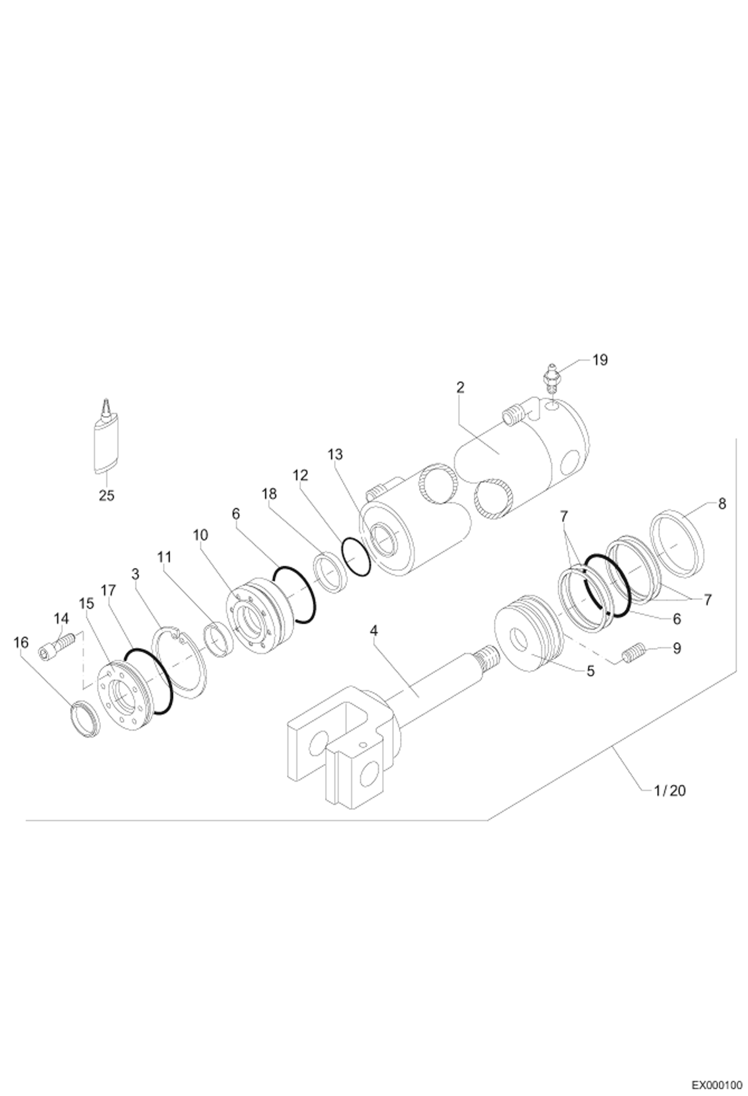
SWIVELING BUCKET HYDRAULIC CYLINDER Z 90/40
№
Артикул
Название
Примечание
Количество
1
6502045000
HYDRAULIC CYLINDER
2
6502045003
PIPE
3
1456622670
CIRCLIP
4
6502045013
PISTON ROD CPL.
5
0502027015
PISTON Secure with SCHAEFFLOCK 2070
6
1971956591
O-RING
7
1966954404
BACK-UP RING
8
5060592800
GUIDING RING
9
1136347417
STUD
10
0500704117
BUSHING
11
1965015400
ROD SEAL
12
1971956339
13
5060592830
14
1045707513
BOLT
15
0500701019
COUNTER FLANGE
16
1974930108
SCRAPER RING
17
1971956243
18
1965840309
19
1607003006
GREASE NIPPLE
20
1976999940
SEAL KIT Includes Ref. 6 + 7 + 8 + 11 + 12 + 13 + 16
25
GLUE NLA - Was MCS001036A - A
Выбрано товаров: 0