Запчасти Bobcat 56 MARKS AND PLATES MARK & PLATE

Схема запчастей Bobcat 56 - MARKS AND PLATES MARK & PLATE
FIT
1:1
100%

Артикул

Название

Примечание

Количество

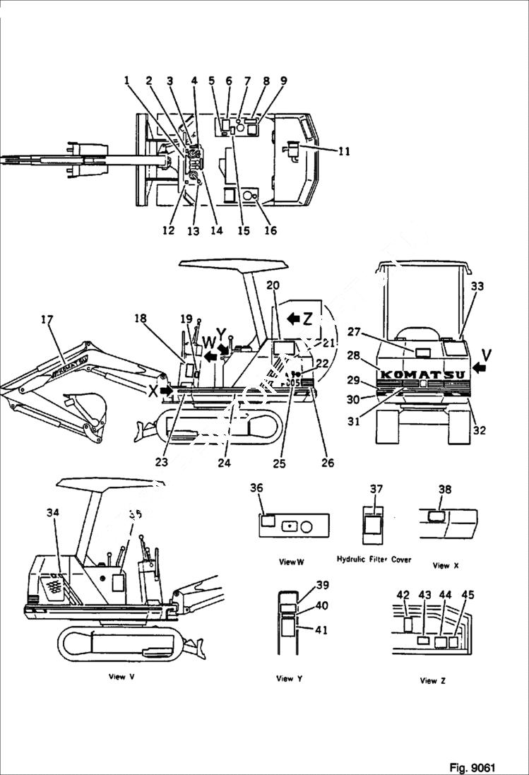
1

6638201

SHIELD operating instruction

3

6639900

PLATE engine control instruction

4

6637797

SHIELD operating, starting switch

5

6640844

OPR BLADE

6

6637782

SHIELD safety, hydraulic tank cap

7

6637795

SHIELD hydraulic tank, caution

8

6639137

SHIELD instruction hydraulic oil

9

6639138

SHIELD caution hydraulic filter

11

6642397

PLATE caution, air cleaner

12

6638200

SHIELD lamp switch name plate

13

6637796

SHIELD operating horn

15

6639642

DECAL operating swing

16

6637794

SHIELD caution fuel tank

17

6638193

SHIELD mark - Komatsu

18

6637740

SHIELD safety, inspection and maintenance

19

6637800

SHIELD operating, swing lock lever

20

6639641

SHIELD caution, keep out of swing area

21

6638194

SHIELD mark

22

6637806

MARK mark symbol

23

6638198

SHIELD mark

24

6638196

SHIELD mark

25

6638190

SHIELD mark pco5

26

6638195

SHIELD mark

27

6639645

SHIELD safety, engine cover

28

6637804

MARK mark, Komatsu

29

6638197

SHIELD mark

31

6638192

SHIELD mark

33

6639641

SHIELD caution, keep out of swing area

34

6638191

SHIELD mark

35

6639637

SHIELD caution, track loading

36

6637778

SHIELD safety, before operating

37

6638199

SHIELD oil

38

6637773

PLATE, NA name (limited supply)

38

6637320

SCREW

39

6637734

SHIELD instructions, recommended fuel oil

40

6637780

SHIELD safety, water drain

41

6637737

SHIELD, C safety, leaving seat

42

6638940

SHIELD caution, fuel filter

43

6638941

SHIELD caution - engine oil filter

44

6637777

SHIELD caution, radiator

45

6637792

SHIELD caution, radiator cap

Выбрано товаров: 0