Качественные детали и логистика
Оригинальные и аналоговые запчасти с доставкой по России, Казахстану и Беларуси
©2022 PartSell ООО "Система" ИНН 2463123282 ОГРН 1212400004838
Центральный офис: г. Красноярск, Академика Киренского, д.87, пом.4
Телефон: 8 (800) 777-65-74 Email: zakaz@partsell.ru
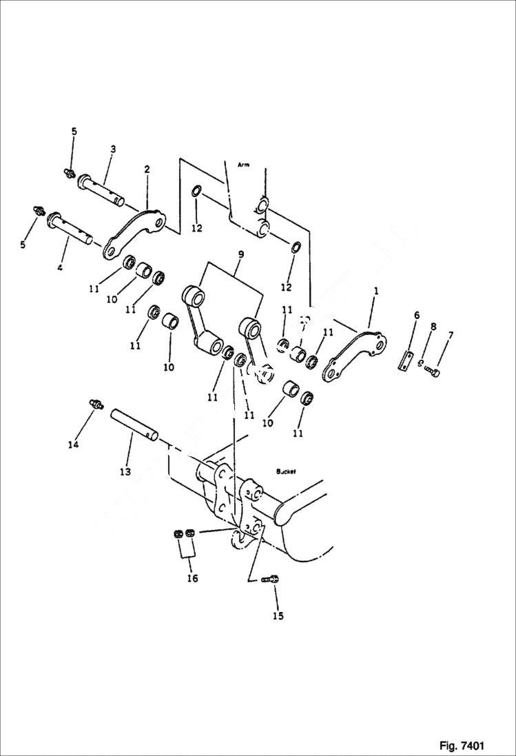
BUCKET LINK
№
Артикул
Название
Примечание
Количество
1
6662844
LH LINK
2
6662845
RH LINK
3
6638130
PIN
4
PIN Was 20M-70-11261
5
6637430
FITTING
6
6637241
LOCK
7
6636966
BOLT
8
6637135
WASHER
9
LINK ASS'Y Was 20M-70-00540
10
6637520
BUSHING
11
6637531
SEAL, DUST
12
6638487
SHIM
13
6638132
14
15
6636976
16
6637108
NUT
Выбрано товаров: 0