Запчасти Bobcat 56 WORK EQUIPMENT CONTROL LEVER SWING AND CONTROL SYSTEM

Схема запчастей Bobcat 56 - WORK EQUIPMENT CONTROL LEVER SWING AND CONTROL SYSTEM
FIT
1:1
100%

Артикул

Название

Примечание

Количество

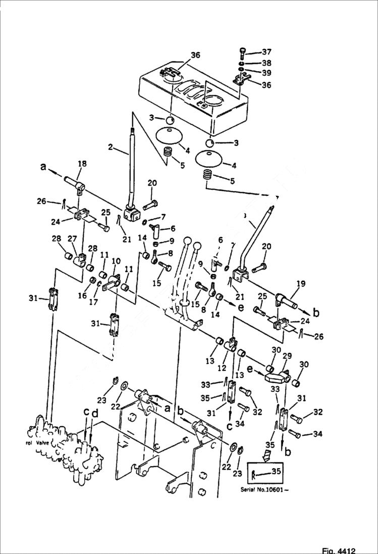
1

6637980

LEVER l. h.

2

6637981

LEVER r.h.

3

6638565

KNOB

4

6639443

COVER

5

6637744

SPRING

6

6639441

CONNECTOR joint

7

6637157

WASHER

8

6639442

END rod

9

6637108

NUT

10

6642242

LEVER ASSEMBLY

10

6637983

LEVER

11

6637746

BUSHING

12

6642241

LEVER ASSEMBLY l.h.

12

6642250

LEVER

13

6637746

BUSHING

14

6637977

SHIM spacer

15

6636972

BOLT

16

6637108

NUT

17

6637135

WASHER spring

18

6637987

LEVER

19

6638004

LEVER

20

6639440

PIN

21

6637199

PIN, COTTER

22

6642042

WASHER

23

6637220

RING, SNAP

24

6637269

YOKE

25

6637255

PIN

26

6637197

PIN, COTTER

27

6642245

LEVER ASSEMBLY r.h.

27

6637982

LEVER

28

6637746

BUSHING

29

6642264

LEVER ASSEMBLY

29

6638005

LEVER

30

6637746

BUSHING

31

6637988

YOKE

32

6637254

PIN

33

6637197

PIN, COTTER

34

6637247

PIN

35

6637193

PIN cotter - Komatsu S/N 10401-10600

35

6642053

PIN snap - Komatsu S/N 10601 & Abv.

36

6639439

HINGE

37

6636953

BOLT

38

6637133

WASHER spring

39

6640820

WASHER

Выбрано товаров: 44