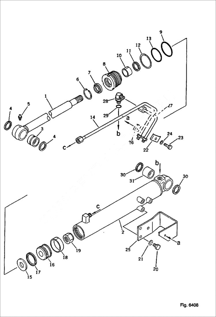
Запчасти Bobcat 76 SWING CYLINDER WORK EQUIPMENT CONTROL SYSTEM

Схема запчастей Bobcat 76 - SWING CYLINDER WORK EQUIPMENT CONTROL SYSTEM
FIT
1:1
100%

Артикул

Название

Примечание

Количество

1

6638478

CYLINDER

1

6638479

ROD

2

6638480

CYLINDER

3

6637525

BUSHING

4

6637531

SEAL, DUST

5

6637430

FITTING

6

6637569

RING, SNAP

7

DUST SEAL NLA - Was 6648849 - A

8

6640394

CYL HEAD

9

6637376

O-RING

10

6637561

BUSHING

11

6640430

PACKING

12

6637399

RING, BACK-UP

13

6637375

O-RING

14

6638481

TUBE

15

6640419

RETAINER

16

6640409

PISTON

17

6637550

RING, PISTON

18

6637543

RING, WEAR

19

6637552

NUT

20

6636965

BOLT

21

6645874

WASHER

22

6640454

CLIP

23

6636960

BOLT

24

6637134

WASHER

25

6640453

SHIELD

26

6640451

SHIELD

27

6638482

TUBE

28

6637587

ELBOW

29

6637417

O-RING

30

6637531

SEAL, DUST

31

6637520

BUSHING

Выбрано товаров: 32