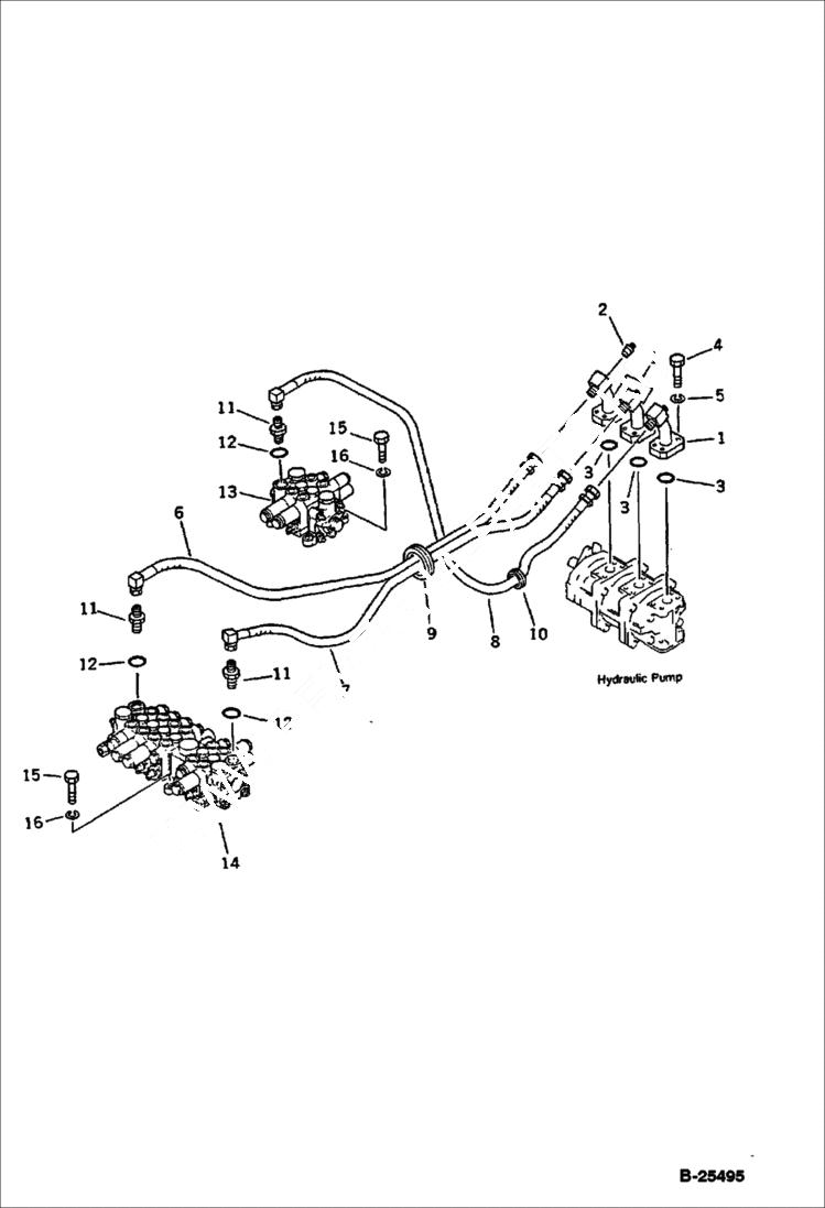
Запчасти Bobcat 76 HYDRAULIC PIPING (PUMP TO VALVE) WORK EQUIPMENT CONTROL SYSTEM

Схема запчастей Bobcat 76 - HYDRAULIC PIPING (PUMP TO VALVE) WORK EQUIPMENT CONTROL SYSTEM
FIT
1:1
100%

Артикул

Название

Примечание

Количество

1

6638417

TUBE Komatsu S/N 10301 & Abv.

2

6637441

PLUG

3

6637385

O-RING

4

6636960

BOLT

5

6637134

WASHER

6

6638418

HOSE Komatsu S/N 10301 & Abv.

7

6638419

HOSE Komatsu S/N 10301 & Abv.

8

6638420

HOSE Komatsu S/N 10301 & Abv.

9

6637705

GROMMET

10

6637702

GROMMET

11

6637580

NIPPLE Komatsu S/N 10301 & Abv.

12

6637417

O-RING

13

6640594

VALVE ASSY

14

6640587

VALVE ASSY Komatsu S/N 10301 & Abv.

15

6636960

BOLT

16

6637134

WASHER

Выбрано товаров: 16