Качественные детали и логистика
Оригинальные и аналоговые запчасти с доставкой по России, Казахстану и Беларуси
©2022 PartSell ООО "Система" ИНН 2463123282 ОГРН 1212400004838
Центральный офис: г. Красноярск, Академика Киренского, д.87, пом.4
Телефон: 8 (800) 777-65-74 Email: zakaz@partsell.ru
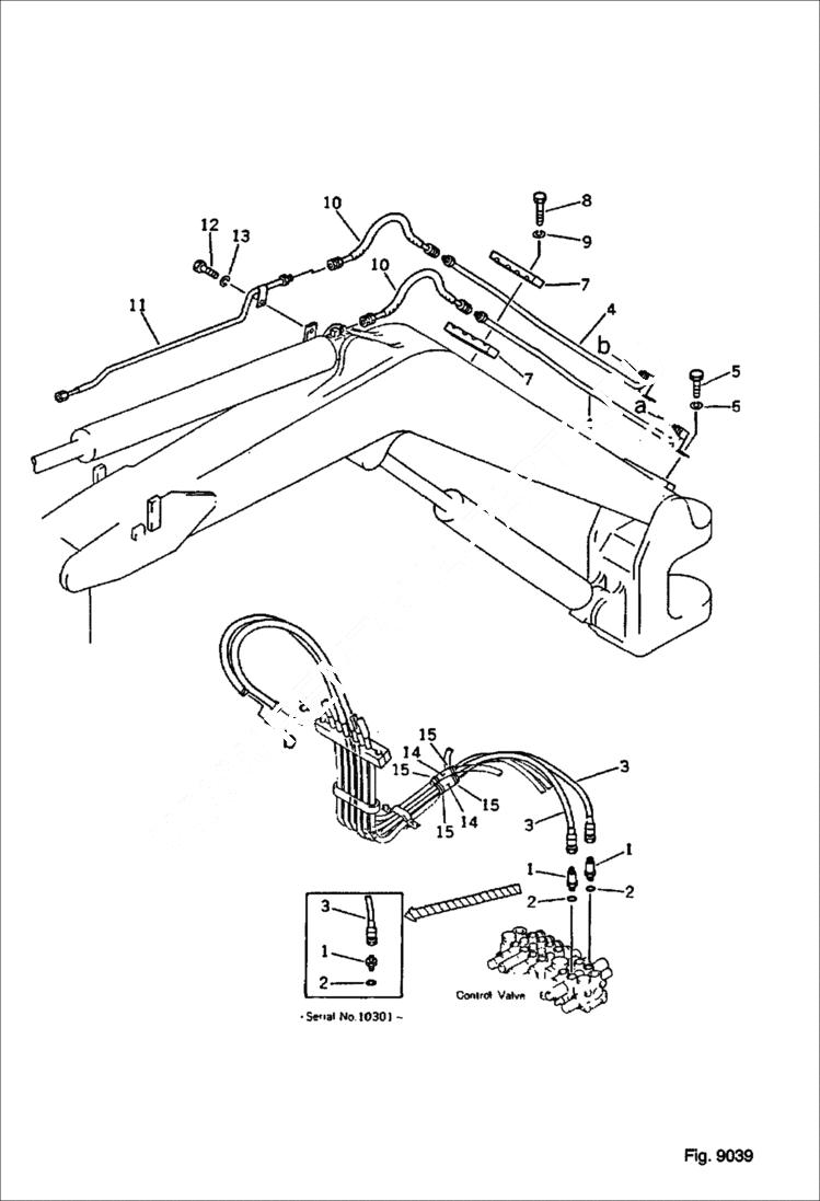
HYDRAULIC PIPING (VALVE TO/FROM ARM CYLINDER USA SPEC.
№
Артикул
Название
Примечание
Количество
1
6642659
NIPPLE Komatsu S/N 10201-10300
6638398
NIPPLE Komatsu S/N 10301 & Abv.
2
6637415
O-RING
3
6638458
HOSE
4
6638459
TUBE
5
6636966
BOLT
6
6637135
WASHER
7
6642698
CLAMP
8
6636962
9
6637134
10
6638441
11
6638442
12
13
14
6638435
SEAT
15
6637683
BAND
Выбрано товаров: 0