Запчасти Bobcat 76 DECALS (FOR CAB) ACCESSORIES & OPTIONS

Схема запчастей Bobcat 76 - DECALS (FOR CAB) ACCESSORIES & OPTIONS
FIT
1:1
100%

Артикул

Название

Примечание

Количество

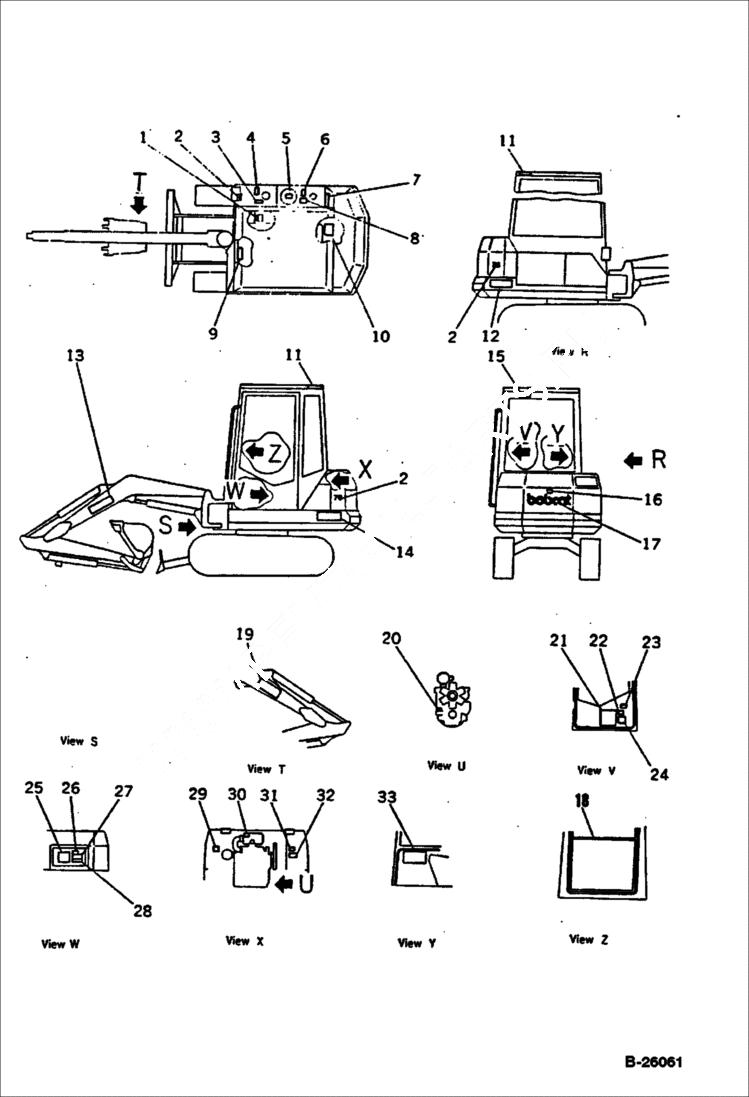
1

6639642

DECAL operating

2

6640867

DECAL model number

3

6637781

DECAL caution

4

6640891

DECAL diesel

5

6640895

DECAL instructions

6

6640892

DECAL hydraulic fluid

7

6640904

DECAL logo (Bobcat)

8

6640893

DECAL warning

9

6642773

DECAL operating

10

6640868

PLATE decal - load rating chart

11

6640907

DECAL logo (Melroe)

12

6640902

DECAL logo (Bobcat)

13

6640869

DECAL logo (Bobcat)

14

6640903

DECAL logo (Bobcat)

15

6640865

PLATE decal - ROPS

15

6637063

SCREW

16

6640890

DECAL warning (avoid injury)

17

6640900

DECAL logo (Melroe Bobcat)

18

6640913

PLATE decal - caution

19

6640870

DECAL logo (Bobcat)

20

6642405

PLATE decal - instruction

21

6640886

PLATE decal - loading instructions

22

6640884

DECAL warning repair

23

6640887

DCAL operating

24

6640883

DECAL warning instructions

25

6640886

PLATE decal - loading instructions

26

6641046

DECAL warning

27

6640888

DECAL warning

28

6640889

DECAL lubricating instructions

29

6640896

DECAL instructions

30

6640864

PLATE decal - cleaning instructions

31

6640897

WARNDECAL warning

32

6640857

PLATE decal - instruction

33

6640856

PLATE decal - caution

Выбрано товаров: 0