Качественные детали и логистика
Оригинальные и аналоговые запчасти с доставкой по России, Казахстану и Беларуси
©2022 PartSell ООО "Система" ИНН 2463123282 ОГРН 1212400004838
Центральный офис: г. Красноярск, Академика Киренского, д.87, пом.4
Телефон: 8 (800) 777-65-74 Email: zakaz@partsell.ru
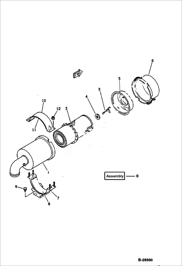
AIR CLEANER
№
Артикул
Название
Примечание
Количество
0
6636525
FILTER, A air cleaner assembly
1
6636526
HOUSING
2
6640958
ELEMENT Was 6636621 - A
3
6636547
BOLT
4
6636548
WASHER
5
6636733
SHIELD baffle
6
6636732
PAN
7
6636764
BRACE Ref. 7-9
6636763
BRACE
8
SEAT NLA - Was YM171351-12570 - A
9
6636848
10
6636560
BAND assembly - Ref. 10-12
6636561
BAND
11
6636562
SEAT
12
6636883
NUT
Выбрано товаров: 0