Качественные детали и логистика
Оригинальные и аналоговые запчасти с доставкой по России, Казахстану и Беларуси
©2022 PartSell ООО "Система" ИНН 2463123282 ОГРН 1212400004838
Центральный офис: г. Красноярск, Академика Киренского, д.87, пом.4
Телефон: 8 (800) 777-65-74 Email: zakaz@partsell.ru
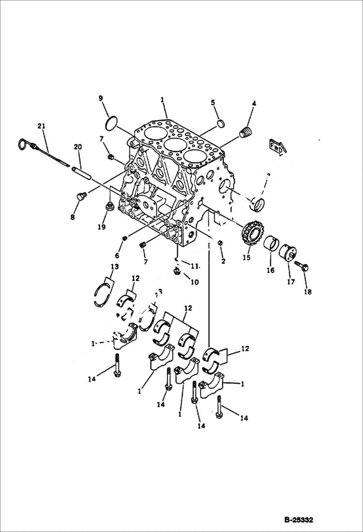
CYLINDER BLOCK
№
Артикул
Название
Примечание
Количество
1
6636928
BLOCK, CYL
2
6636906
PLUG
3
6636744
BUSHING
4
6636752
5
6636908
6
6636813
7
6636596
8
6636816
9
6636904
10
6636850
BOLT
11
6636807
PACKING
12
6636929
METAL ASSY
MAIN METAL ASSY (US) 0.25MM Was YM121520-02310
13
6636930
METAL thrust
14
6636362
15
GEAR ASSY Was YM129150-25101
16
BUSHING Was YM129150-25061
17
6636634
SHAFT
18
6636855
19
6636753
PLUG drain
20
6636569
GUIDE
21
6664258
DIPSTICK gauge - level
Выбрано товаров: 0