Качественные детали и логистика
Оригинальные и аналоговые запчасти с доставкой по России, Казахстану и Беларуси
©2022 PartSell ООО "Система" ИНН 2463123282 ОГРН 1212400004838
Центральный офис: г. Красноярск, Академика Киренского, д.87, пом.4
Телефон: 8 (800) 777-65-74 Email: zakaz@partsell.ru
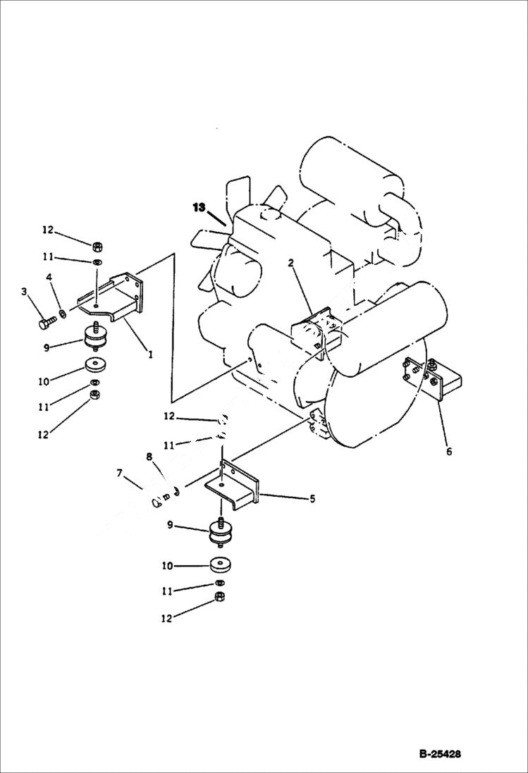
ENGINE MOUNTING PARTS
№
Артикул
Название
Примечание
Количество
1
BRACKET, L.H. FRT Was 20N-01-41610
2
BRACKET, R.H. FRT Was 20N-01-41620
3
6636980
BOLT
4
6637158
WASHER
5
BRACKET, L.H. REAR Was 20N-01-41630
6
BRACKET, R.H. REAR Was 20N-01-41640
7
6636967
8
6637157
9
6649152
CUSHION
CUSHION Was FF7810-01110
10
SPACER Was 20N-01-41650
11
12
6637109
NUT
13
6652055
ENGINE-6
Выбрано товаров: 0