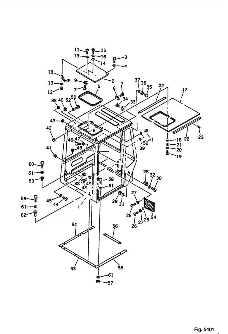
Запчасти Bobcat 76 OPERATORS CAB 1 OF 4 GUARD

Схема запчастей Bobcat 76 - OPERATORS CAB 1 OF 4 GUARD
FIT
1:1
100%

Артикул

Название

Примечание

Количество

1

6642602

CAB ASS'Y See Illustration OPERATOR/ 5402 See Illustration OPERATOR/ 5404 See Illustration OPERATOR/ 5403 Includes all parts in ILL.5401,5402,5403,5404

2

6639487

COVER

3

6636956

BOLT

4

6637134

WASHER

5

6639500

SEAL

6

6639199

CATCHER

7

6637026

SCREW

8

6639201

SHIELD

9

6639200

HOOK

10

6638299

GRIP

11

6637032

SCREW

12

6637105

NUT

13

6637126

WASHER

14

6639533

BOSS

15

6637027

SCREW

16

WASHER, SPRING Was 01602-00410

17

6639505

BOARD

18

6639461

SHIELD

19

6637026

SCREW

20

6637123

WASHER

21

6637143

WASHER

22

6639506

PLATE finisher

23

6639534

RIVET

24

6639905

SEAL, POCKET

25

6639906

SADDLE

26

6637053

BOLT

27

6637140

WASHER

28

6639459

CATCH ASY

29

6637105

NUT

30

6637033

SCREW

31

6637126

WASHER

32

6637144

WASHER

33

6639289

HANGER hook

34

6637065

SCREW

35

6639508

STOPPER

36

6637109

NUT

37

6637151

WASHER

38

6637700

GROMMET

39

6637701

GROMMET

40

6637757

CAP

41

6637756

CAP

42

6637754

CAP

43

6637702

GROMMET

44

6637030

SCREW

45

6637144

WASHER

46

6636951

BOLT

47

6637133

WASHER

48

6636965

BOLT

49

6637157

WASHER

50

6637031

SCREW

51

6637033

SCREW

52

6637144

WASHER

53

6638321

SEAT

54

6638323

SEAT

55

6638322

SEAT

56

6638324

SEAT

57

6637108

NUT

58

6636970

BOLT

59

6636976

BOLT

60

6636969

BOLT

61

6637157

WASHER

62

6638326

COLLAR

63

6638325

COLLAR

Выбрано товаров: 63