Качественные детали и логистика
Оригинальные и аналоговые запчасти с доставкой по России, Казахстану и Беларуси
©2022 PartSell ООО "Система" ИНН 2463123282 ОГРН 1212400004838
Центральный офис: г. Красноярск, Академика Киренского, д.87, пом.4
Телефон: 8 (800) 777-65-74 Email: zakaz@partsell.ru
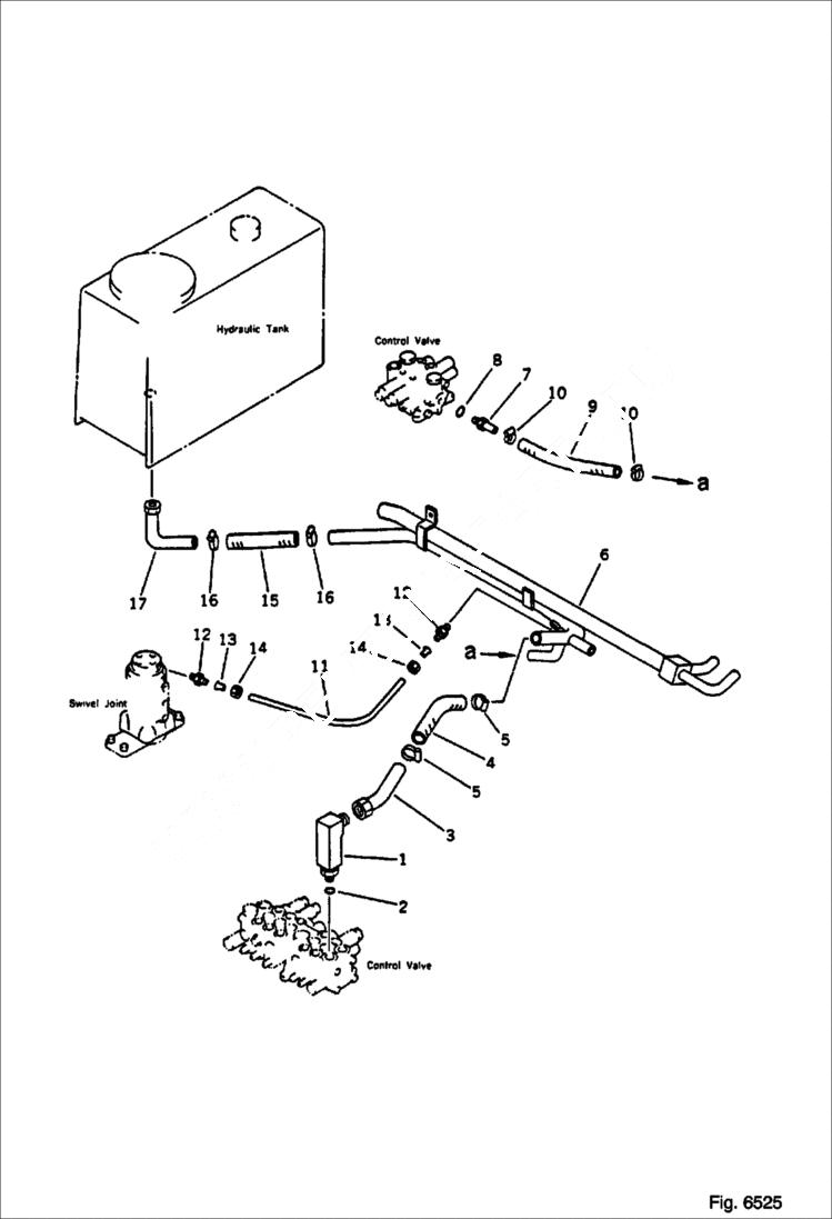
HYDRAULIC PIPING ( VALVE TO TANK ) ( FOR ATTACHMENT )
№
Артикул
Название
Примечание
Количество
1
ELBOW Was 20N-973-4120
2
6637417
O-RING
3
TUBE Was 20N-973-4130
4
6637605
HOSE
5
6637626
CLAMP
6
TUBE Was 20N-973-4110
7
CONNECTOR Was 20N-62-44230
8
9
6649137
10
6637623
11
6637653
TUBE
12
6637673
CONNECTOR
13
6637661
SLEEVE
14
6637664
NUT
15
6637603
16
6637625
17
6638423
Выбрано товаров: 0