Запчасти Bobcat 76 CAB ENCLOSURE ( 2of 2 ) ACCESSORIES & OPTIONS

Схема запчастей Bobcat 76 - CAB ENCLOSURE ( 2of 2 ) ACCESSORIES & OPTIONS
FIT
1:1
100%

Артикул

Название

Примечание

Количество

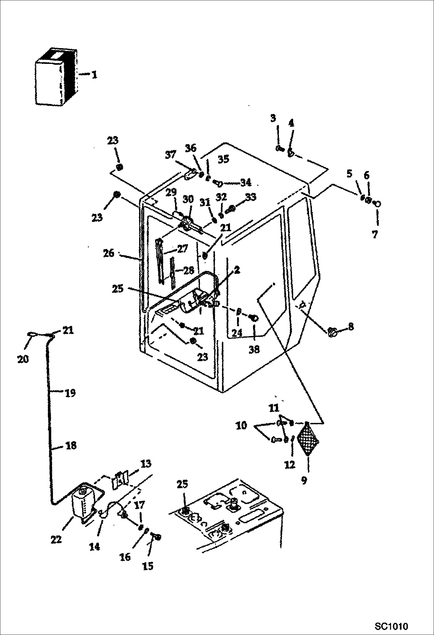
1

KIT, CAB ENCLOSURE See Illustration CAB ENCLOSURE/ SC1020 NLA - Order Individual Parts Ref. 2-16 On ILL. SC 1020 - Also Order Ref. 2-38 on This ILL.

2

6642677

WIRE ASSY

3

6637065

SCREW

4

6639289

HANGER

5

6637151

WASHER

6

6637109

NUT

7

6639874

STOPPER Was 6639508 - A

8

CATCHER NLA - Was 6643290 - A

9

6639905

SEAL, POCKET Book

10

6637063

SCREW

11

6637140

WASHER

12

6639906

SADDLE

13

PLATE NSS - Order Ref. 22

14

WIRE NSS

15

6636954

BOLT

16

6637133

WASHER

17

6640820

WASHER

18

6639269

HOSE

19

6643050

CLIP

20

6639254

NOZZLE

21

6637702

GROMMET

22

6638990

WS TANK window - W/Ref. 13

23

6637700

GROMMET

24

6637155

WASHER

25

6639266

SWITCH Wiper & Washer

26

6638664

WIRE

27

6638631

ARM

28

6638630

BLADE

29

6638656

WIRE

30

6638648

MOTOR

31

6637144

WASHER

32

6637126

WASHER Spring

33

6637033

SCREW

34

6637028

SCREW

35

6637125

WASHER Spring

36

6637143

WASHER

37

6637724

LAMP

38

6636951

BOLT

Выбрано товаров: 0