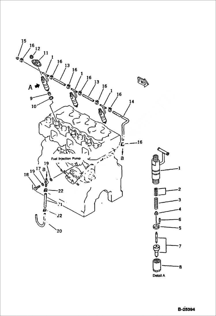
Запчасти Bobcat 76 FUEL NOZZLE AND SPILL HOSE FUEL SYSTEM

Схема запчастей Bobcat 76 - FUEL NOZZLE AND SPILL HOSE FUEL SYSTEM
FIT
1:1
100%

Артикул

Название

Примечание

Количество

1

6636935

NOZZLE fuel

1

6641871

HOLD.ASSY

2

6636348

SHIM

3

6636344

SPRING

4

6636345

SEAT

5

6636346

SHIELD

6

6636347

PIN

7

6636516

NOZZLE

8

6636343

NUT

9

6636426

PROTECTOR

10

6636427

SEAT

11

6636428

SEAT

12

6636886

NUT

13

6636555

PIPE

14

6636636

PIPE

15

6636676

CAP

16

6636590

CLIP

17

6636638

JOINT

18

6636637

VALVE check

19

6636810

PACKING

20

6636532

HEAD pipe - bend

21

6636533

PIPE

22

6636622

CLIP

Выбрано товаров: 23