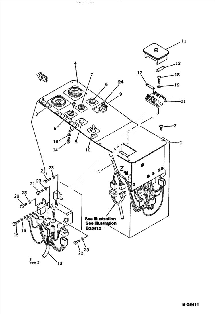
Запчасти Bobcat 76 INSTRUMENT PANEL ENGINE RELATED PARTS AND ELECTRICAL SYSTEM

Схема запчастей Bobcat 76 - INSTRUMENT PANEL ENGINE RELATED PARTS AND ELECTRICAL SYSTEM
FIT
1:1
100%

Артикул

Название

Примечание

Количество

1

6642427

PANEL Komatsu S/N 10301 & Abv.

2

6638232

SCREW

3

6637732

GAUGE, SE service - hourmeter

4

6642181

GAUGE water temp

5

6638634

LAMP engine air heater

6

6637808

LIGHT battery charge

7

6637807

LIGHT, CA oil pressure

8

6637718

SWITCH horn

9

6637720

SWITCH starting

10

6638228

SWITCH lamp

11

6638546

BOX, FUSE

12

6637713

FUSE 20amp

13

6642428

WIRE ASSY See Illustration ELECTRICAL SYSTEM/ B25412

14

6636951

BOLT

15

6636953

BOLT Komatsu S/N 10301 & Abv.

16

6637155

WASHER

17

6637878

TERMINAL

18

6637034

SCREW

19

6637126

WASHER

20

6636952

BOLT Komatsu S/N 10301 & Abv.

21

6636953

BOLT Komatsu S/N 10301 & Abv.

22

6642005

BOLT Komatsu S/N 10301 & Abv.

23

6637133

WASHER

24

6640722

KEY

Выбрано товаров: 24