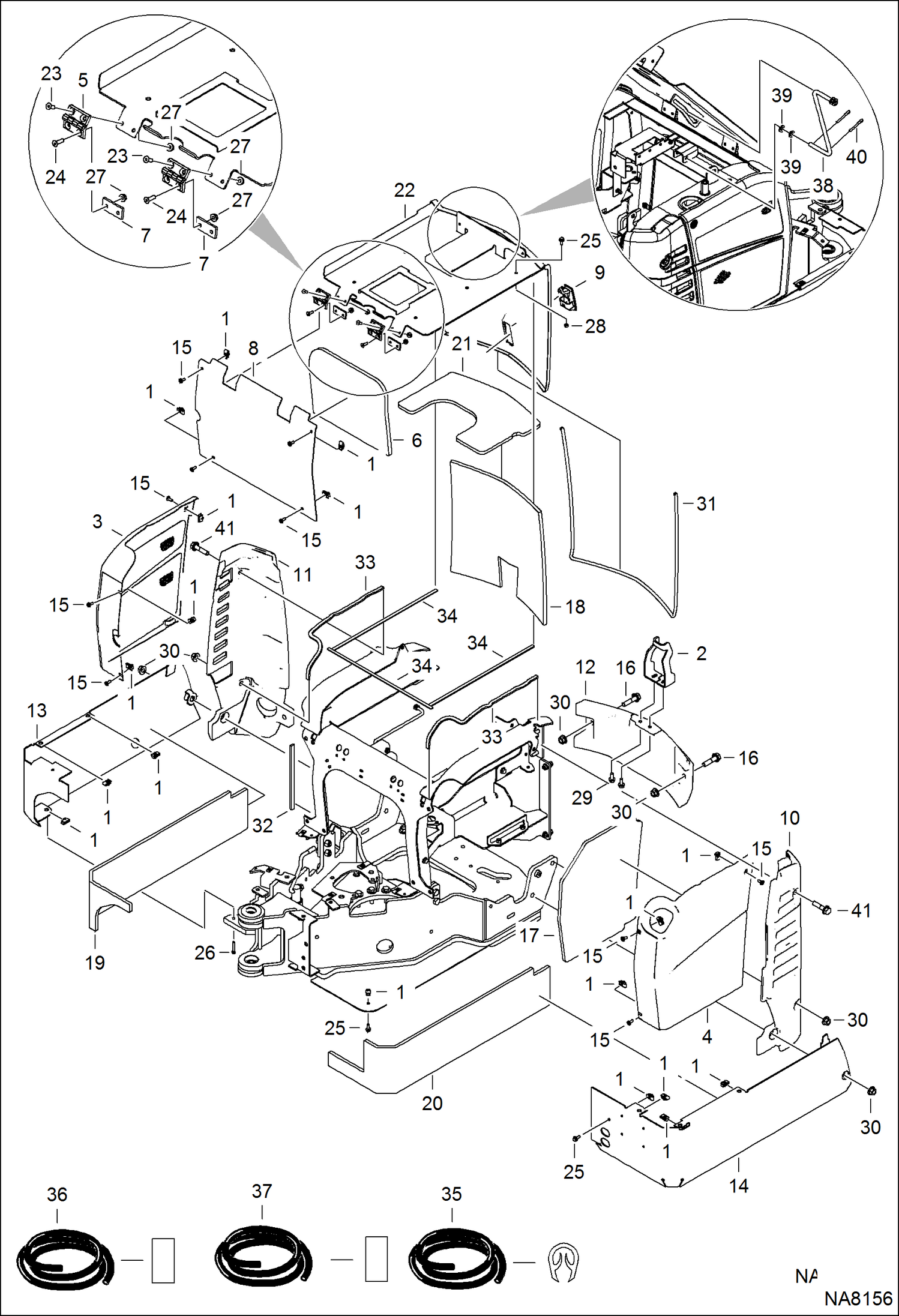
Запчасти Bobcat E08 MAIN FRAME (Covers & Insulation) MAIN FRAME

Схема запчастей Bobcat E08 - MAIN FRAME (Covers & Insulation) MAIN FRAME
FIT
1:1
100%

Артикул

Название

Примечание

Количество

1

6676026

NUT

2

7134664

STRIKE LOCK

3

7134683

COVER RIGHT W/A

3

7203036

COVER, SIDE

4

7134686

COVER LEFT

5

7134689

HINGE

6

7136418

INSULATION

7

7145609

PLATE HINGE

8

7145719

SHROUD FRONT

9

7147835

LOCK

10

7151906

COUNTERWEIGHT L MACH

11

7151908

COUNTERWEIGHT R MACH

12

7151910

COUNTERWEIGHT C MACH

13

7152225

SHROUD RH

14

7152226

SHROUD LH

15

7153055

SCREW LOW HEAD

16

29CM1250

BOLT Was 7159162 - A

17

7161118

INSULATION LH

18

7161119

INSULATION BONET

19

7161120

INSULATION RH

20

7161390

INSULATION LH

21

7161914

INSULATION COVER

22

7135406

COVER W/A

22

7164183

COVER W/A

23

23GM616

SCREW CSNK SOCKET8.8

24

23GM620

SCREW

25

29CM616

BOLT

26

4CM635

BOLT

27

51DM6

NUT

28

53DM6

NUT

29

59CM820

SCREW HX FLNG W/T 8.8

30

43DM12

NUT

31

SEAL NLA - 1400 mm (55.12'') long - Order Ref. 35

32

SEAL NLA - 200 mm (7.87'') long - Order Ref. 36

33

SEAL NLA - 497 mm (19.57'') long - Order Ref. 36

34

SEAL NLA - 440 mm (17.3'') long - Order Ref. 37

35

7135407

SEAL BULK /METER bulk - sold per foot

36

7135394

SEAL BULK bulk - sold per foot

37

6648416

SEAL BULK /FT bulk - sold per foot

38

7148932

BAR HOOD

38

7164187

BAR HOOD W/A

39

15EM80

WASHER

40

1F212

PIN

41

29CM1230

BOLT Was 7159162 - A

Выбрано товаров: 44