Качественные детали и логистика
Оригинальные и аналоговые запчасти с доставкой по России, Казахстану и Беларуси
©2022 PartSell ООО "Система" ИНН 2463123282 ОГРН 1212400004838
Центральный офис: г. Красноярск, Академика Киренского, д.87, пом.4
Телефон: 8 (800) 777-65-74 Email: zakaz@partsell.ru
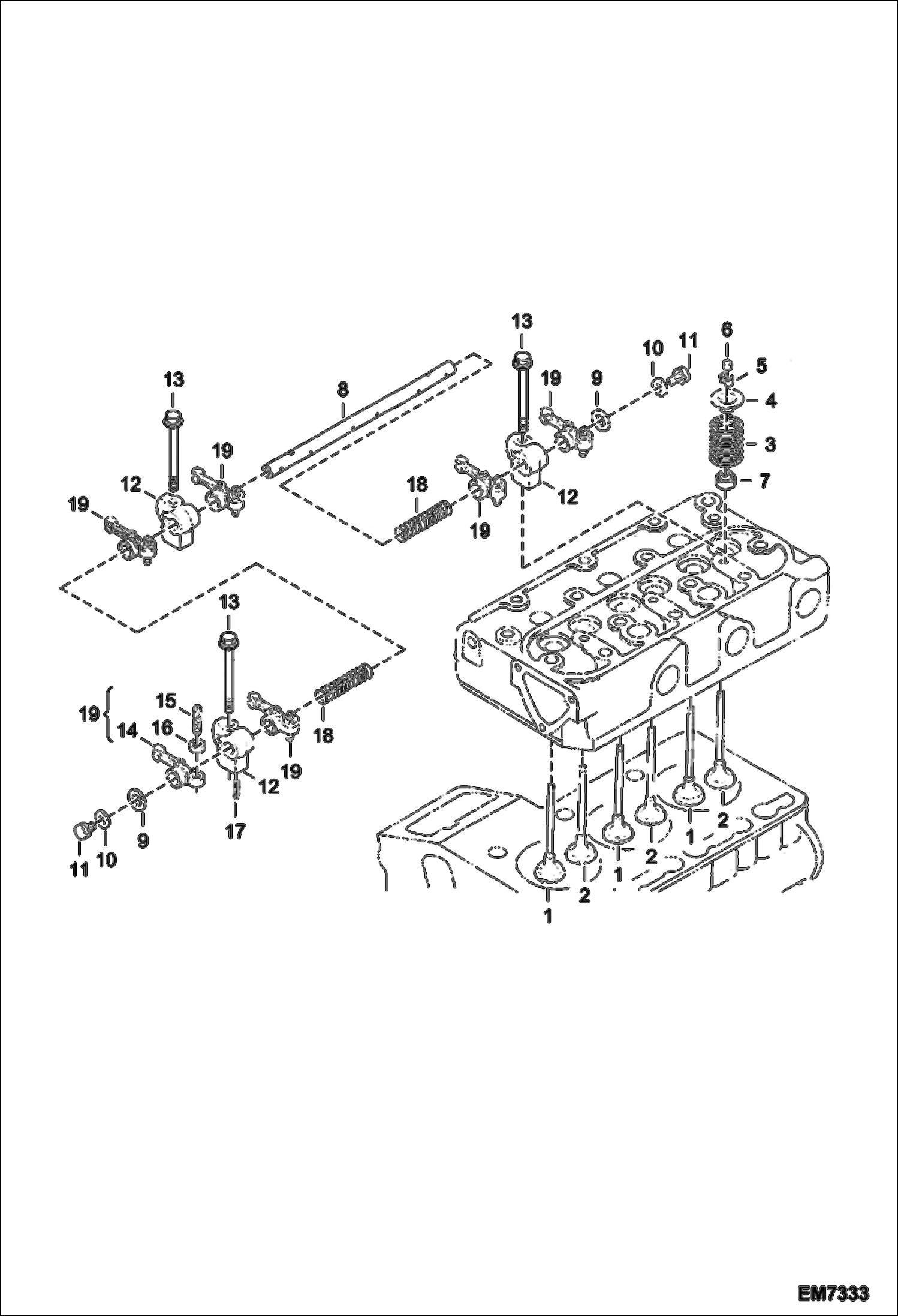
VALVE AND ROCKER ARM
№
Артикул
Название
Примечание
Количество
1
6698162
VALVE, INLET
2
6698163
VALVE, EXHAUST
3
6670513
SPRING
4
6670514
RETAINER
5
6670515
COLLET set
6
6670516
CAP
7
6670517
SEAL
8
6698164
SHAFT, ROCKER ARM
9
6670519
WASHER, SPRING
10
6670520
WASHER
11
6969971
BOLT
12
6688063
BRACKET
13
6687662
14
ROCKER ARM NLA - Order Ref. 19
15
6670528
SCREW
16
6670529
NUT
17
6598098
PIN
18
6698165
SPRING, ROCKER ARM
19
6670527
ROCKER ARM W/Ref. 14-16
Выбрано товаров: 0