Качественные детали и логистика
Оригинальные и аналоговые запчасти с доставкой по России, Казахстану и Беларуси
©2022 PartSell ООО "Система" ИНН 2463123282 ОГРН 1212400004838
Центральный офис: г. Красноярск, Академика Киренского, д.87, пом.4
Телефон: 8 (800) 777-65-74 Email: zakaz@partsell.ru
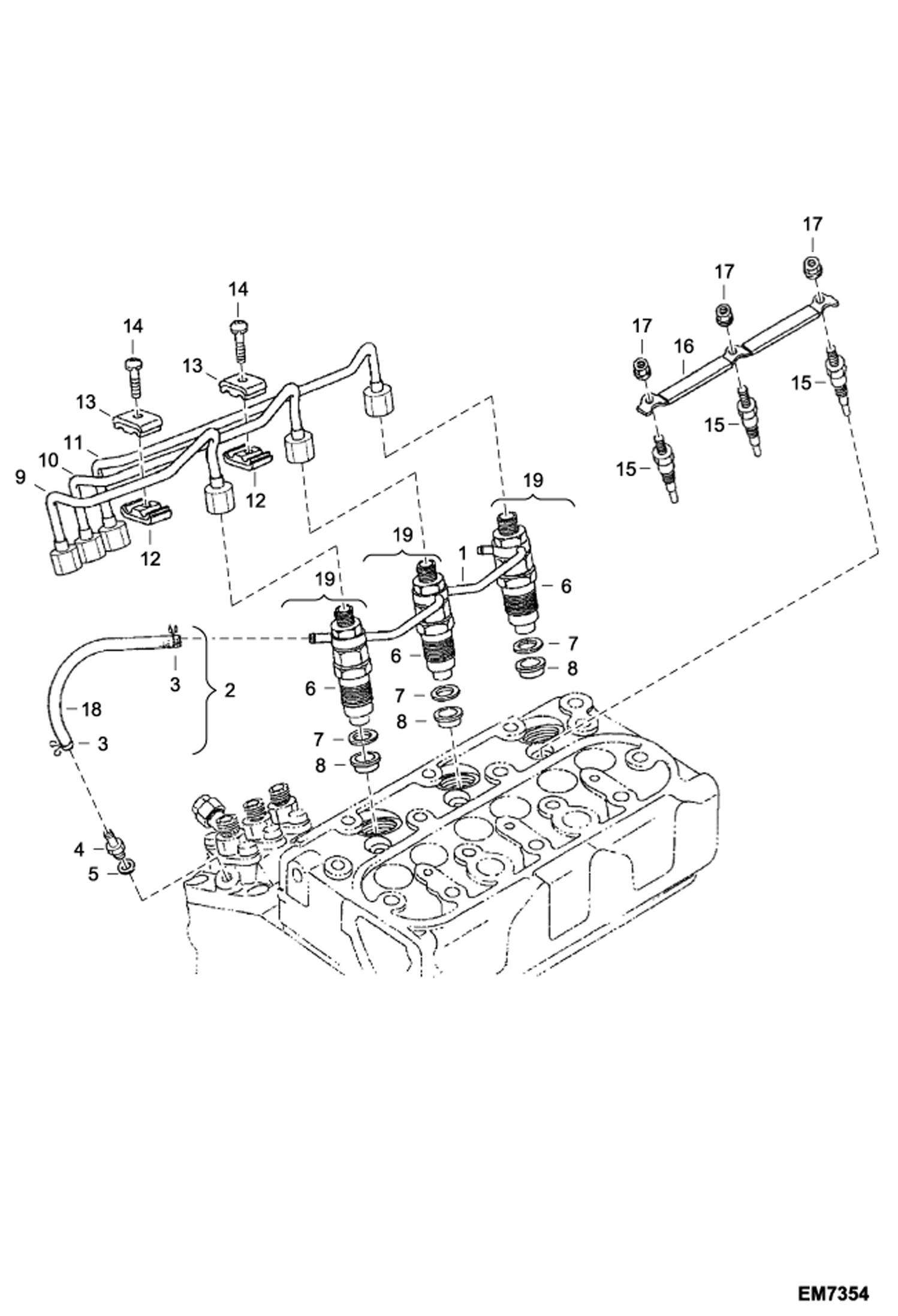
NOZZLE HOLDER AND GLOW PLUG
№
Артикул
Название
Примечание
Количество
1
6670463
PIPE
2
6670464
HOSE W/Ref. 3 & 18
3
6654718
CLAMP
4
6657446
SCREW
5
3974972
GASKET
6
6670465
NOZZLE HOLDER
7
6655218
8
6655872
HEAT SEAL
9
6670467
10
6670468
11
6670469
12
6652688
13
6652689
14
3974260
15
6670470
GLOW PLUG
16
6670471
WIRE
17
6670472
NUT
18
HOSE
19
6683025
KIT HOLDER NOZZLE Ref. 6-8
Выбрано товаров: 0